Áp suất và đơn vị đo
Áp suất là đại lượng có giá trị bằng tỉ số giữa lực tác dụng vuông góc lên một mặt với diện tích của nó:

Đối với các chất lỏng, khí hoặc hơi (gọi chung là chất lưu), áp suất là một thông số quan trọng xác định trạng thái nhiệt động học của chúng. Trong công nghiệp, việc đo áp suất chất lưu có ý nghĩa rất lớn trong việc đảm bảo an toàn cho thiết bị cũng như giúp cho việc kiểm tra và điều khiển hoạt động của máy móc thiết bị có sử dụng chất lưu.
Trong hệ đơn vị quốc tế (SI) đơn vị áp suất là pascal (Pa): 1 Pa là áp suất tạo bởi một lực có độ lớn bằng 1N phân bố đồng đều trên một diện tích 1m2 theo hướng pháp tuyến.
Đơn vị Pa tương đối nhỏ nên trong công nghiệp người ta còn dùng đơn vị áp suất là bar (1 bar = 105 Pa) và một số đơn vị khác.
| Đơn vịáp suất | pascal(Pa) | bar(b) | kg/cm 2 | atmotsphe(atm) | mmH 2 O | mmHg | mbar |
| 1Pascal | 1 | 10-5 | 1,02.10-5 | 0,987.10-5 | 1,02.10-1 | 0,75.10-2 | 10-2 |
| 1 bar | 10-5 | 1 | 1,02 | 0,987 | 1,02.104 | 750 | 103 |
| 1 kg/cm2 | 1,02.10-5 | 1,02 | 1 | 0,986 | 104 | 735 | 9,80.102 |
| 1 atm | 0,987.10-5 | 0,987 | 1,02.104 | 1 | 1,033.104 | 760 | 1,013.103 |
| 1mmH2O | 1,02.10-1 | 0,75.10-2 | 104 | 1,033.104 | 1 | 0,0735 | 0,098 |
| 1mmHg | 0,75.10-2 | 750 | 735 | 760 | 0,0735 | 1 | 1,33 |
| 1mbar | 10-2 | 103 | 9,80.102 | 1,013.103 | 0,098 | 1,33 | 1 |
Nguyên lý đo áp suất
Đối với chất lưu không chuyển động, áp suất chất lưu là áp suất tĩnh (pt):

Do vậy đo áp suất chất lưu thực chất là xác định lực tác dụng lên một diện tích thành bình. Đối với chất lưu không chuyển động chứa trong một ống hở đặt thẳng đứng, áp suất tĩnh tại một điểm M cách bề mặt tự do một khoảng (h) xác định theo công thức sau:

Trong đó:
p0 - áp suất khí quyển.
ρ - khối lượng riêng chất lưu.
g- gia tốc trọng trường.
Để đo áp suất tĩnh có thể tiến hành bằng các phương pháp sau:
- Đo áp suất chất lưu lấy qua một lỗ được khoan trên thành bình nhờ cảm biến thích hợp.
- Đo trực tiếp biến dạng của thành bình do áp suất gây nên.
Trong cách đo thứ nhất, phải sử dụng một cảm biến đặt sát thành bình. Trong trường hợp này, áp suất cần đo được cân bằng với áp suất thuỷ tỉnh do cột chất lỏng mẫu tạo nên hoặc tác động lên một vật trung gian có phần tử nhạy cảm với lực do áp suất gây ra. Khi sử dụng vật trung gian để đo áp suất, cảm biến thường trang bị thêm bộ phận chuyển đổi điện. Để sai số đo nhỏ, thể tích chết của kênh dẫn và cảm biến phải không đáng kể so với thể tích tổng cộng của chất lưu cần đo áp suất.
Trong cách đo thứ hai, người ta gắn lên thành bình các cảm biến đo ứng suất để đo biến dạng của thành bình. Biến dạng này là hàm của áp suất.
Đối với chất lưu chuyển động, áp suất chất lưu (p) là tổng áp suất tĩnh (pt) và áp suất động (pđ) :

Áp suất tĩnh tương ứng với áp suất gây nên khi chất lỏng không chuyển động, được đo bằng một trong các phương pháp trình bày ở trên. áp suất động do chất lưu chuyển động gây nên và có giá trị tỉ lệ với bình phương vận tốc chất lưu:

Trong đó ρ là khối lượng riêng chất lưu.
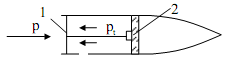
Khi dòng chảy va đập vuông góc với một mặt phẳng, áp suất động chuyển thành áp suất tĩnh, áp suất tác dụng lên mặt phẳng là áp suất tổng. Do vậy, áp suất động được đo thông qua đo chênh lệch giữa áp suất tổng và áp suất tĩnh. Thông thường việc đo hiệu (p - pt) thực hiện nhờ hai cảm biến nối với hai đầu ra của một ống Pitot, trong đó cảm biến (1) đo áp suất tổng còn cảm biến (2) đo áp suất tĩnh.
Có thể đo áp suất động bằng cách đặt áp suất tổng lên mặt trước và áp suất tĩnh lên mặt sau của một màng đo (hình 20.2), như vậy tín hiệu do cảm biến cung cấp chính là chênh lệch giữa áp suất tổng và áp suất tĩnh.