BIẾN ĐỔI AD

BIẾN ĐỔI AD & DA

Có thể nói sự biến đổi qua lại giữa các tín hiệu từ dạng tương tự sang dạng số là cần thiết vì:

- Hệ thống số xử lý tín hiệu số mà tín hiệu trong tự nhiên là tín hiệu tương tự: cần thiết có mạch đổi tương tự sang số.

- Kết quả từ các hệ thống số là các đại lượng số: cần thiết phải đổi thành tín hiệu tương tự để có thể tác động vào các hệ thống vật lý và thể hiện ra bên ngoài (thí dụ tái tạo âm thanh hay hình ảnh) hay dùng vào việc điều khiển sau đó (thí dụ dùng điện thế tương tự để điều khiển vận tốc động cơ)

Biến đổi số - tương tự (digital to analog converter , DAC)

Mạch biến đổi DAC dùng mạng điện trở có trọng lượng khác nhau (Weighted resistor network)

(H 8.1)

Trong mạch trên, nếu thay OP-AMP bởi một điện trở tải, ta có tín hiệu ra là dòng điện.

Như vậy OP-AMP giữ vai trò biến dòng điện ra thành điện thế ra, đồng thời nó là một mạch cộng

Ta có v0 = -RF.I = -(23b3 + 22b2 + 2b1+b0)Vr.RF/23R

= -(2n-1 bn-1 + 2n-2 bn-2 + ........+ 2b1 + b0)Vr.RF /2n-1.R

Nếu RF = R thì:

v0 =-(2n-1 bn-1 + 2n-2 bn-2 + ........+ 2b1 + b0)Vr./2n-1.

Thí dụ:

1/ Khi số nhị phân là 0000 thì v0 = 0

1111 thì v0 = -15Vr / 8

2/ Với Vr = 5V ; R = RF = 1k

Ta có kết quả chuyển đổi như sau:

Mạch có một số hạn chế:

- Sự chính xác tùy thuộc vào điện trở và mức độ ổn định của nguồn tham chiếu Vr

- Với số nhị phân nhiều bit thì cần các điện trở có giá trị rất lớn, khó thực hiện.

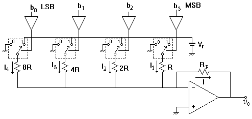
Mạch đổi DAC dùng mạng điện trở hình thang

(H 8.2)

Cho RF = 2R và lần lượt

Cho b3 = 1 các bit khác = 0, ta được: v0 = -8(Vr /24)

Cho b2 = 1 các bit khác = 0, ta được: v0 = -4(Vr /24)

Cho b1 = 1 các bit khác = 0, ta được: v0 = -2(Vr /24)

Cho b0 = 1 các bit khác = 0, ta được: v0 = - (Vr /24)

Ta thấy v0 tỉ lệ với giá trị B của tổ hợp bit B = (b3 b2 b1 b0 )2 v0 = -B(Vr /24)

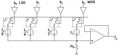
Mạch đổi DAC dùng nguồn dòng có trọng lượng khác nhau

(H 8.3)

Đặc tính kỹ thuật của mạch đổi DAC

Bit có ý nghĩa thấp nhất (LSB) và bit có ý nghĩa cao nhất (MSB)

Qua các mạch biến đổi DAC kể trên ta thấy vị trí khác nhau của các bit trong số nhị phân cho giá trị biến đổi khác nhau, nói cách khác trị biến đổi của một bit tùy thuộc vào trọng lượng của bit đó.

Nếu ta gọi trị toàn giai là VFS thì bit LSB có giá trị là: LSB = VFS / (2n - 1)

và bit MSB = VFS .2n-1/ (2n - 1)

Điều này được thể hiện trong kết quả của thí dụ 2 ở trên.

(H 8.4) là đặc tuyến chuyển đổi của một số nhị phân 3 bit

(a) (b)

(H 8.4)

(H 8.4a) là đặc tuyến lý tưởng, tuy nhiên, trong thực tế để đường trung bình của đặc tính chuyển đổi đi qua điểm 0 điện thế tương tự ra được làm lệch (1/2)LSB (H 8.4b). Như vậy điện thế tương tự ra được xem như thay đổi ở ngay giữa hai mã số nhị phân vào kế nhau. Thí dụ khi mã số nhị phân vào là 000 thì điện thế tương tự ra là 0 và điện thế tương tự ra sẽ lên nấc kế 000+(1/2)LSB rồi nấc kế tiếp ở 001+(1/2)LSB.v.v....Trị tương tự ra ứng với 001 gọi tắt là 1LSB và trị toàn giai VFS = 7LSB tương ứng với số 111

Sai số nguyên lượng hóa (quantization error)

Trong sự biến đổi, ta thấy ứng với một giá trị nhị phân vào, ta có một khoảng điện thế tương tự ra. Như vậy có một sai số trong biến đổi gọi là sai số nguyên lượng hóa và =(1/2)LSB

Độ phân giải (resolution)

Độ phân giải được hiểu là giá trị thay đổi nhỏ nhất của tín hiệu tương tự ra có thể có khi số nhị phân vào thay đổi. Độ phân giải còn được gọi là trị bước (step size) và bằng trọng lượng bit LSB.

Số nhị phân n bit có 2n giá trị và 2n - 1 bước

Hiệu thế tương tự ra xác định bởi v0 = k.(B)2

Trong đó k chính là độ phân giải và (B)2 là số nhị phân

Người ta thường tính phần trăm phân giải:

%res = (k / VFS)100 %

Với số nhị phân n bit

%res = [1 / (2n - 1)]100 %

Các nhà sản xuất thường dùng số bit của số nhị phân có thể được biến đổi để chỉ độ phân giải. Số bit càng lớn thì độ phân giải càng cao (finer resolution)

Độ tuyến tính (linearity)

Khi điện thế tương tự ra thay đổi đều với số nhị phân vào ta nói mạch biến đổi có tính tuyến tính

Độ đúng (accuracy)

Độ đúng (còn gọi là độ chính xác) tuyệt đối của một DAC là hiệu số giữa điện thế tương tự ra và điện thế ra lý thuyết tương ứng với mã số nhị phân vào. Hai số nhị phân kế nhau phải cho ra hai điện thế tương tự khác nhau đúng 1LSB, nếu không mạch có thể tuyến tính nhưng không đúng (H 8.5)

a/ Tuyến tính b/ Tuyến tính nhưng không đúng

(H 8.5)