Nguyên lý chung của cảm biến áp suất loại này dựa trên cơ sở sự biến dạng đàn hồi của phần tử nhạy cảm với tác dụng của áp suất. Các phần tử biến dạng thường dùng là ống trụ, lò xo ống, xi phông và màng mỏng.
Phần tử biến dạng
Ống trụ
Sơ đồ cấu tạo của phần tử biến dạng hình ống trụ trình bày trên hình 20.5. ống có dạng hình trụ, thành mỏng, một đầu bịt kín, được chế tạo bằng kim loại.
Hình 20.5: Phần tử biến dạng kiểu ống hình trụ
a) Sơ đồ cấu tạo b) Vị trí gắn cảm biến
Đối với ống dài (L>>r), khi áp suất chất lưu tác động lên thành ống làm cho ống biến dạng, biến dạng ngang (ε1) và biến dạng dọc (ε2) của ống xác định bởi biểu thức:
Trong đó:
p - áp suất.
Y - mô đun Young.
ν - hệ số poisson.
r - bán kính trong của ống.
e - chiều dày thành ống.
Để chuyển tín hiệu cơ (biến dạng) thành tín hiệu điện người ta dùng bộ chuyển đổi điện (thí dụ cảm biến lực).
Lò xo ống
Cấu tạo của các lò xo ống dùng trong cảm biến áp suất trình bày trên hình 20.6.
Lò xo là một ống kim loại uốn cong, một đầu giữ cố định còn một đầu để tự do. Khi đưa chất lưu vào trong ống, áp suất tác dụng lên thành ống làm cho ống bị biến dạng và đầu tự do dịch chuyển.
Trên hình (20.6a) là sơ đồ lò xo ống một vòng, tiết diện ngang của ống hình trái xoan. Dưới tác dụng của áp suất dư trong ống, lò xo sẽ giãn ra, còn dưới tác dụng của áp suất thấp nó sẽ co lại.
Hình 20.6: Lò xo ống
Đối với các lò xo ống thành mỏng biến thiên góc ở tâm (γ) dưới tác dụng của áp suất (p) xác định bởi công thức:

Trong đó:
ν - hệ số poisson.
Y - mô đun Young.
R - bán kính cong.
h - bề dày thành ống.
a, b - các bán trục của tiết diện ôvan.
α, β - các hệ số phụ thuộc vào hình dáng tiết diện ngang của ống.
x = Rh/a2- tham số chính của ống.
Lực thành phần theo hướng tiếp tuyến với trục ống (ống thành mỏng h/b = 0,6 - 0,7) ở đầu tự do xác định theo theo biểu thức:

Lực hướng kính:

Trong đó s và ε các hệ số phụ thuộc vào tỉ số b/a.
Giá trị của k1, k2 là hằng số đối với mỗi lò xo ống nên ta có thể viết được biểu thức xác định lực tổng hợp:

Với 
Bằng cách thay đổi tỉ số a/b và giá trị của R, h, γ ta có thể thay đổi được giá trị của Δγ , N và độ nhạy của phép đo.
Lò xo ống một vòng có góc quay nhỏ, để tăng góc quay người ta dùng lò xo ống nhiều vòng có cấu tạo như hình (20.6b). Đối với lò xo ống dạng vòng thường phải sử dụng thêm các cơ cấu truyền động để tăng góc quay.
Để tạo ra góc quay lớn người ta dùng lò xo xoắn có tiết diện ô van hoặc hình răng khía như hình 20.6c, góc quay thường từ 40 - 60o, do đó kim chỉ thị có thể gắn trực tiếp trên đầu tự do của lò xo.
Lò xo ống chế tạo bằng đồng thau có thể đo áp suất dưới 5 MPa, hợp kim nhẹ hoặc thép dưới 1.000 MPa, còn trên 1.000 MPa phải dùng thép gió.
Xiphông
Cấu tạo của xiphông trình bày trên hình 20.7.
Hình 20.7: Sơ đồ cấu tạo ống xiphông
Ống xiphông là một ống hình trụ xếp nếp có khả năng biến dạng đáng kể dưới tác dụng của áp suất. Trong giới hạn tuyến tính, tỉ số giữa lực tác dụng và biến dạng của xiphông là không đổi và được gọi là độ cứng của xiphông. Để tăng độ cứng thường người ta đặt thêm vào trong ống một lò xo. Vật liệu chế tạo là đồng, thép cacbon, thép hợp kim ... Đường kính xiphông từ 8 - 100mm, chiều dày thành 0,1 - 0,3 mm.
Độ dịch chuyển (d) của đáy dưới tác dụng của lực chiều trục (N) xác định theo công thức:

Trong đó:
h0 - chiều dày thành ống xiphông.
n - số nếp làm việc.
α - góc bịt kín.
ν- hệ số poisson.
A0, A1, B0 - các hệ số phụ thuộc Rng/Rtr, r/R+r.
Rng, Rtr - bán kính ngoài và bán kính trong của xi phông.
r - bán kính cong của nếp uốn.
Lực chiều trục tác dụng lên đáy xác định theo công thức:

Màng
Màng dùng để đo áp suất được chia ra màng đàn hồi và màng dẻo.
Màng đàn hồi có dạng tròn phẳng hoặc có uốn nếp được chế tạo bằng thép.
Hình 20.8: Sơ đồ màng đo áp suất
Khi áp suất tác dụng lên hai mặt của màng khác nhau gây ra lực tác động lên màng làm cho nó biến dạng. Biến dạng của màng là hàm phi tuyến của áp suất và khác nhau tuỳ thuộc điểm khảo sát. Với màng phẳng, độ phi tuyến khá lớn khi độ võng lớn, do đó thường chỉ sử dụng trong một phạm vi hẹp của độ dịch chuyển của màng.
Độ võng của tâm màng phẳng dưới tác dụng của áp suất tác dụng lên màng xác định theo công thức sau:

Màng uốn nếp có đặc tính phi tuyến nhỏ hơn màng phẳng nên có thể sử dụng với độ võng lớn hơn màng phẳng. Độ võng của tâm màng uốn nếp xác định theo công thức:

Với a, b là các hệ số phụ thuộc hình dạng và bề dày của màng.
Khi đo áp suất nhỏ người ta dùng màng dẻo hình tròn phẳng hoặc uốn nếp, chế tạo từ vải cao su. Trong một số trường hợp người ta dùng màng dẻo có tâm cứng, khi đó ở tâm màng được kẹp cứng giữa hai tấm kim loại.
Hình 20.9: Sơ đồ cấu tạo màng dẻo có tâm cứng
Đối với màng dẻo thường, lực di chuyển tạo nên ở tâm màng xác định bởi biểu thức:

Với D là đường kính ổ đỡ màng.
Đối với màng dẻo tâm cứng, lực di chuyển tạo nên ở tâm màng xác định bởi biểu thức:

Với D là đường kính màng, d là dường kính đĩa cứng.
Các bộ chuyển đổi điện
Khi sử dụng cảm biến đo áp suất bằng phần tử biến dạng, để chuyển đổi tín hiệu cơ trung gian thành tín hiệu điện người ta dùng các bộ chuyển đổi. Theo cách chuyển đổi người ta chia các bộ chuyển đổi thành hai loại:
- Biến đổi sự dịch chuyển của phần tử biến dạng thành tín hiệu đo. Các chuyển đổi loại này thường dùng là: cuộn cảm, biến áp vi sai, điện dung, điện trở...
- Biến đổi ứng suất thành tín hiệu đo. Các bộ chuyển đổi là các phần tử áp điệnhoặc áp trở.
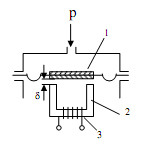
Bộ biến đổi đo áp suất kiểu điện cảm
Cấu tạo của bộ chuyển đổi kiểu điện cảm biểu diễn trên hình 20.10. Bộ chuyển đổi gồm tấm sắt từ động gắn trên màng (1) và nam châm điện có lõi sắt (2) và cuộn dây (3).
Hình 20.10: Bộ chuyển đổi kiểu cảm ứng
1) Tấm sắt từ 2) Lõi sắt từ 3) Cuộn dây
Dưới tác dụng của áp suất đo, màng (1) dịch chuyển làm thay đổi khe hở từ (d) giữa tấm sắt từ và lõi từ của nam châm điện, do đó thay đổi độ tự cảm của cuộn dây. Nếu bỏ qua điện trở cuộn dây, từ thông tản và tổn hao trong lõi từ thì độ tự cảm của bộ biến đổi xác định bởi công thức sau:

Trong đó:
W - số vòng dây của cuộn dây.
ltb, Stb: chiều dài và diện tích trung bình của lõi từ.
δ, S0 - chiều dài và tiết diện khe hở không khí .
μ, μ0 - độ từ thẩm của lõi từ và không khí.
Thông thường ltb/(μStb) << d/(μ0S0), do đó có thể tính L theo công thức gần đúng:
Với δ = kp, ta có phương trình đặc tính tĩnh của cảm biến áp suất dùng bộ biến đổi cảm ứng:

Để đo độ tự cảm L người ta dùng cầu đo xoay chiều hoặc mạch cộng hưởng LC.
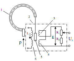
Bộ biến đổi kiểu biến áp vi sai
Bộ biến đổi áp suất kiểu biến áp vi sai (hình 20.11) gồm một lò xo vòng (1) và phần tử biến đổi (2). Phần tử biến đổi gồm một khung cách điện trên đó quấn cuộn sơ cấp (7). Cuộn thứ cấp gồm hai cuộn dây (4) và (5) quấn ngược chiều nhau. Lõi thép di động nối với lò xo (1). Đầu ra của cuộn thứ cấp nối với điện trở R1, cho phép điều chỉnh giới hạn đo trong phạm vi ±25%.
Hình 20.11: Sơ đồ cấu tạo nguyên lý của bộ biến đổi kiểu biến áp vi sai
1) Lò xo vòng 2) Phần tử biến đổi 3&4) Cuộn thứ cấp
5) Lõi thép 6) Cuộn sơ cấp
Nguyên lý làm việc: dòng điện I1 chạy trong cuộn sơ cấp sinh ra từ thông biến thiên trong hai nửa cuộn thứ cấp, làm xuất hiện trong hai nửa cuộn dây này các suất điện động cảm ứng e và e :
Trong đó M1
và M2 là hỗ cảm giữa cuộn sơ cấp và các nửa cuộn thứ cấp.
Hai nửa cuộn dây đấu ngược chiều nhau, do đó suất điện động trong cuộn thứ cấp:

Đối với phần tử biến đổi chuẩn có điện trở cửa ra R1 và R2 thì điện áp ra của bộ biến đổi xác định bởi công thức:

Giá trị hỗ cảm Mra phụ thuộc độ dịch chuyển của lõi thép:
Trong đó Mmax là hỗ cảm lớn nhất của cuộn sơ cấp và cuộn thứ cấp ứng với độ dịch chuyển lớn nhất của lõi thép.
Từ phương trình (8.23) và (8.24), tìm được điện áp ra của bộ biến đổi:

Bộ biến đổi kiểu điện dung
Sơ đồ cảm biến kiểu điện dung trình bày trên hình 20.12
Hình 20.12: Bộ chuyển đổi kiểu điện dung
1) Bản cực động 2&3) Bản cực tĩnh 4) Cách diện 4) Dầu silicon
Hình 20.12a trình bày cấu tạo một bộ biến đổi kiểu điện dung gồm bản cực động là màng kim loại (1), và bản cực tĩnh (2) gắn với đế bằng cách điện thạch anh (4).
Sự phụ thuộc của điện dung C vào độ dịch chuyển của màng có dạng:

Trong đó:
ε - hằng số điện môi của cách điện giữa hai bản cực.
δ0 - khoảng cách giữa các điện cực khi áp suất bằng 0.
δ - độ dịch chuyển của màng.
Hình 20.12b là một bộ biến đổi điện dung kiểu vi sai gồm hai bản cực tĩnh (2) và (3) gắn với chất điện môi cứng (4), kết hợp với màng (1) nằm giữa hai bản cực để tạo thành hai tụ điện C12 và C13. Khoảng trống giữa các bản cực và màng điền đầy bởi dầu silicon (5).
Các áp suất p1 và p2 của hai môi trường đo tác động lên màng, làm màng dịch chuyển giữa hai bản cực tĩnh và tạo ra tín hiệu im (cung cấp bởi nguồn nuôi) tỉ lệ với áp suất giữa hai môi trường:

Để biến đổi biến thiên điện dung C thành tín hiệu đo lường, thường dùng mạch cầu xoay chiều hoặc mạch vòng cộng hưởng LC.
Bộ cảm biến kiểu điện dung đo được áp suất đến 120 MPa, sai số ± (0,2 - 5)%.