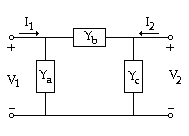
ghép tứ cực
một mạch điện phức tạp có thể xem như gồm nhiều tứ cực đơn giản ghép lại theo cách nào đó.
sau đây là vài cách ghép phổ biến
ghép chuỗi (h 9.13)
(h 9.13)
trong cách ghép này thông số abcd được dùng tiện lợi nhất. ap dụng cho 2 tứ cực na và nb
xem mạch điện tương đương với một tứ cực duy nhất thì:
để ý là:


có kết quả với thông số abcd ta có thể đổi ra thông số khác từ bảng biến đổi (bảng 9.2).
giả sử ta cần tính thông số z của tứ cực tương đương theo thông số z của các tứ cực thành viên ta làm như sau: (thí dụ tính z11)
từ bảng (9.2)
thay a và c từ phép nhân ma trận
từ bảng (9.2), thay các trị aa, ab . . . . bằng các thông số za, zb,. . . tương ứng
sau khi đơn giản
ghép song song (h 9.14)
các ngã vào và ra của tứ cực ghép song song với nhau
(h 9.14)
trong cách ghép song song các hiệu thế ngã vào và ra của các tứ cực bằng nhau và bằng hiệu thế ngã vào và ra của các tứ cực thành viên. dòng điện ở các ngã của tứ cực tương đương bằng tổng các dòng điện ở các ngã của tứ cực thành viên
dùng thông số tổng dẫn mạch nối tắt
hai tứ cực ghép song song tương đương với một tứ cực có ma trận tổng dẫn mạch nối tắt bằng tổng các ma trận tổng dẫn mạch nối tắt của các tứ cực thành viên
[y}=[ya]+[yb] (9.13)
ghép nối tiếp , còn gọi là ghép chồng (h 9.15)
(h 9.15)
trong cách ghép nối tiếp các dòng điện ở ngã vào và ra của các tứ cực bằng nhau và bằng các dòng điện ở ngã vào và ra của các tứ cực thành viên . hiệu thế ở các ngã của tứ cực tương đương bằng tổng hiệu thế các ngã của tứ cực thành viên.
dùng thông số tổng trở mạch hở
hai tứ cực ghép nối tiếp tương đương với một tứ cực có ma trận tổng trở mạch hở bằng tổng các ma trận tổng trở mạch hở của các tứ cực thành viên
[z}=[za]+[zb] (9.14)

bài tập
--oo--
xác định thông số y và z của tứ cực (h p9.1)
xác định thông số y và z của mạch cầu t (h p9.2)
(h p9.1) (h p9.2)
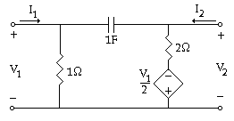
xác định thông số h của mạch tương đương của transistor (h p9.3)
xác định thông số y của mạch (h p9.4) bằng cách xem mạch gồm 2 tứ cực mắc song song
(h p9.3) (h p9.4)
cho 2 tứ cực hình Π và hình t (h p9.5a) và (h p9.5b).
chứng minh rằng điều kiện để 2 tứ cực này tương đương là:


(h p9.5a) (h p9.5b).
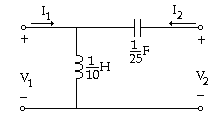
xác định thông số y của tứ cực (h p9.6)
mắc vào ngã ra của tứ cực điện trở 1ôm xác định 
(h p9.6)
giải lại bài tập 9.6 bằng cách dùng thông số truyền
cho tứ cực, ghép điện trở tải rl vào ngã ra (h p9.8). chứng minh rằng:

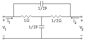
xác định thông số y và z của tứ cực (h p9.9)
mắc vào ngã vào tứ cực một nguồn dòng i1(t) = 15e-5tcos10t (a) và ngã ra với tải rl = 1ôm xác định v2(t).
xác định thông số z của tứ cực (h p9.10). suy ra

(h p9.9) (h p9.10)