GIAO TIẾP GIỮA CÁC HỌ IC SỐ
Giao tiếp là thực hiện việc kết nối ngã ra của một mạch hay hệ thống với ngã vào của mạch hay hệ thống khác. Do tính chất về điện khác nhau giữa hai họ TTL và CMOS nên việc giao tiếp giữa chúng trong nhiều trường hợp không thể nối trực tiếp được mà phải nhờ một mạch trung gian nối giữa tầng thúc và tầng tải sao cho điện thế tín hiệu ra ở tầng thúc phù hợp với tín hiệu vào của tầng tải và dòng điện tầng thúc phải đủ cấp cho tầng tải.

Có thể nói điều kiện để thúc trực tiếp
- Khi dòng điện ra của tầng thúc lớn hơn hoặc bằng dòng điện vào của tầng tải ở cả hai trạng thái thấp và cao.
- Khi hiệu thế ngã ra của tầng thúc ở hai trạng thái thấp và cao phù hợp với điện thế vào của tầng tải.
Như vậy, trước khi xét các trường hợp cụ thể ta xem qua bảng kê các thông số của hai họ IC
TTL thúc CMOS
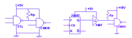
- TTL thúc CMOS dùng điện thế thấp (VDD = 5V):
Từ bảng 3.4 dòng điện vào của CMOS có trị rất nhỏ so với dòng ra của các loạt TTL, vậy về dòng điện không có vấn đề
Tuy nhiên khi so sánh hiệu thế ra của TTL với hiệu thế vào của CMOS ta thấy VOH(max) của tất cả các loạt TTL đều khá thấp so với VIH(min) của TTL, như vậy phải có biện pháp nâng hiệu thế ra của TTL lên. Điều này thực hiện được bằng một điện trở kéo lên mắc ở ngã ra của IC TTL (H 3.33)
- TTL thúc 74 HCT:
Như đã nói trước đây, riêng loạt 74HCT là loạt CMOS được thiết kế tương thích với TTL nên có thể thực hiện kết nối mà không cần điện trở kéo lên.
- TTL thúc CMOS dùng nguồn cao (VDD = +10V)
Ngay cả khi dùng điện trở kéo lên, điện thế ngã ra mức cao của TTL vẫn không đủ cấp cho ngã vào CMOS, người ta phải dùng một cổng đệm có ngã ra để hở có thể dùng nguồn cao (Thí dụ IC 7407) để thực hiện sự giao tiếp (H 3.34)
(H 3.33) (H 3.34)
CMOS thúc TTL
- CMOS thúc TTL ở trạng thái cao:
Bảng 3.4 cho thấy điện thế ra và dòng điện ra mức cao của CMOS đủ để cấp cho TTL . Vậy không có vấn đề ở trạng thái cao
- CMOS thúc TTL ở trạng thái thấp:
Dòng điện vào ở trạng thái thấp của TTL thay đổi trong khoảng từ 100 μA đến 2 mA. Hai loạt 74HC và 74HCT có thể nhận dòng 4 mA . Vậy hai loạt này có thể giao tiếp với một IC TTL mà không có vấn đề. Tuy nhiên, với loạt 4000B, IOL rất nhỏ không đủ để giao tiếp với ngay cả một IC TTL, người ta phải dùng một cổng đệm để nâng dòng tải của loạt 4000B trước khi thúc vài IC 74LS (H 3.35)
- CMOS dùng nguồn cao thúc TTL:
Có một số IC loạt 74LS được chế tạo đặc biệt có thể nhận điện thế ngã vào cao khoảng 15V có thể được thúc trực tiếp bởi CMOS dùng nguồn cao, tuy nhiên đa số IC TTL không có tính chất này, vậy để có thể giao tiếp với CMOS dùng nguồn cao, người ta phải dùng cổng đệm để hạ điện thế ra xuống cho phù hợp với IC TTL (H 3.36)
(H 3.35) (H 3.36)
Vài thí dụ dùng cổng thiết kế mạch
1. Dùng cổng NAND 2 ngã vào thiết kế mạch tạo hàm Y = f(A,B,C) =1 khi thỏa các điều kiện sau:
a. A=0, B=1 và C=1
b. A=1, B=1 bất chấp C
Giải
Dự vào điều kiện của bài toán ta có bảng sự thật của hàm Y
Rút gọn hàm:
Y =AB+BC (H 3.37)
Để dùng tòan cổng NAND tạo hàm, ta dùng định lý De Morgan, biến đổi hàm Y:
Và mạch có dạng (H 3.37)
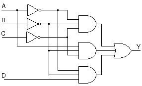
2. Cho mạch
(H P3.38)
a./ Viết biểu thức hàm Y theo các biến A,B,C.
b./ Rút gọn hàm logic này
c./ Thay thế mạch trên bằng một mạch chỉ gồm cổng NAND 2 ngã vào
Giải
a./ Ta có
b./ Rút gọn
c./ Vẽ mạch thay thế dùng cổng NAND 2 ngã vào
Trước nhất ta vẽ mạch tương ứng hàm rút gọn, sau đó dùng biến đổi cổng
(H P3.39)