MẠCH GIẢI MÃ

MẠCH GIẢI MÃ

Giải mã n đường sang 2n đường

Giải mã 2 đường sang 4 đường:

Thiết kế mạch Giải mã 2 đường sang 4 đường có ngã vào cho phép (cũng được dùng để nối mạch)

Để đơn giản, ta xét mạch giải mã 2 đường sang 4 đường có các ngã vào và ra đều tác động cao .

Bảng sự thật, các hàm ngã ra và sơ đồ mạch:

(H 4.7)

Giải mã 3 đường sang 8 đường

Dùng 2 mạch giải mã 2 đường sang 4 đường để thực hiện mạch giải mã 3 đường sang 8 đường (H 4.8)

Quan sát bảng sự thật ta thấy: Trong các tổ hợp số 3 bit có 2 nhóm trong đó các bit thấp A1A0 hoàn toàn giống nhau, một nhóm có bit A2 = 0 và nhóm kia có A2 = 1. Như vậy ta có thể dùng ngã vào G cho bit A2 và mắc mạch như sau.

(H 4.8)

Khi A2=G=0, IC1 giải mã cho 1 trong 4 ngã ra thấp và khi A2=G=1, IC2 giải mã cho 1 trong 4 ngã ra cao

Trên thị trường hiện có các loại IC giải mã như:

- 74139 là IC chứa 2 mạch giải mã 2 đường sang 4 đường, có ngã vào tác động cao, các ngã ra tác động thấp, ngã vào cho phép tác động thấp.

- 74138 là IC giải mã 3 đường sang 8 đường có ngã vào tác động cao, các ngã ra tác động thấp, hai ngã vào cho phép G2A và G2B tác động thấp, G1 tác động cao.

- 74154 là IC giải mã 4 đường sang 16 đường có ngã vào tác động cao, các ngã ra tác động thấp, 2 ngã vào cho phép E1 và E2 tác động thấp

Dưới đây là bảng sự thật của IC 74138 và cách nối 2 IC để mở rộng mạch giải mã lên 4 đường sang 16 đường (H 4.9)

Ghi chú G2 =G2A+G2B , H = 1, L =0, x: bất chấp

(H 4.9)

Một ứng dụng quan trọng của mạch giải mã là dùng giải mã địa chỉ cho bộ nhớ bán dẫn.

Ngoài ra, mạch giải mã kết hợp với một cổng OR có thể tạo được hàm logic.

Thí dụ, thiết kế mạch tạo hàm

Với hàm 3 biến, ta dùng mạch giải mã 3 đường sang 8 đường. 8 ngã ra mạch giải mã tương ứng với 8 tổ hợp biến của 3 biến, các ngã ra tương ứng với các tổ hợp biến có trong hàm sẽ lên mức 1. Với một hàm đã viết dưới dạng tổng chuẩn, ta chỉ cần dùng một cổng OR có số ngã vào bằng với số tổ hợp biến trong hàm nối vào các ngã ra tương ứng của mạch giải mã để cộng các tổ hợp biến có trong hàm lại ta sẽ được hàm cần tạo.

Như vậy, mạch tạo hàm trên có dạng (H 4.10)

(H 4.10)

Dĩ nhiên, với những hàm chưa phải dạng tổng chuẩn, chúng ta phải chuẩn hóa. Và nếu bài toán có yêu cầu ta phải thực hiện việc đổi cổng, bằng cách dùng định lý De Morgan.

Giải mã BCD sang 7 đọan

Đèn 7 đọan

Đây là lọai đèn dùng hiển thị các số từ 0 đến 9, đèn gồm 7 đọan a, b, c, d, e, f, g, bên dưới mỗi đọan là một led (đèn nhỏ) hoặc một nhóm led mắc song song (đèn lớn). Qui ước các đọan cho bởi (H 4.11).

(H 4.11)

Khi một tổ hợp các đọan cháy sáng sẽ tạo được một con số thập phân từ 0 - 9.

(H 4.12) cho thấy các đoạn nào cháy để thể hiện các số từ 0 đến 9

(H 4.12)

Đèn 7 đoạn cũng hiển thị được một số chữ cái và một số ký hiệu đặc biệt.

Có hai loại đèn 7 đoạn:

- Loại catod chung (H 4.13a), dùng cho mạch giải mã có ngã ra tác động cao.

- Loại anod chung (H 4.13b), dùng cho mạch giải mã có ngã ra tác động thấp.

(a) (H 4.13) (b)

Mạch giải mã BCD sang 7 đoạn :

Mạch có 4 ngã vào cho số BCD và 7 ngã ra thích ứng với các ngã vào a, b, c, d, e, f, g của led 7 đọan, sao cho các đọan cháy sáng tạo được số thập phân đúng với mã BCD ở ngã vào.

Bảng sự thật của mạch giải mã 7 đoạn, có ngã ra tác động thấp:

Bảng 4.6

Dùng Bảng Karnaugh hoặc có thể đơn giản trực tiếp với các hàm chứa ít tổ hợp, ta có kết quả:

Từ các kết quả ta có thể vẽ mạch giải mã 7 đoạn dùng các cổng logic.

Hai IC thông dụng dùng để giải mã BCD sang 7 đọan là:

- CD 4511 (loại CMOS, ngã ra tác động cao và có đệm)

- 7447 (loại TTL, ngã ra tác động thấp, cực thu để hở)

Chúng ta khảo sát một IC giải mã BCD sang 7 đoạn : IC 7447

Bảng sự thật của 7447:

Ghi chú:

1. BI/RBO được nối theo kiểu điểm AND bên trong IC và được dùng như ngã vào xóa (Blanking Input, BI) và/hoặc ngã ra xóa dợn sóng (Ripple Blanking Output, RBO). Ngã vào BI phải được để hở hay giữ ở mức cao khi cần thực hiện giải mã cho số ra. Ngã vào xóa dợn sóng (Ripple Blanking Input, RBI) phải để hở hay ở mức cao khi muốn đọc số 0.

2. Khi đưa ngã vào BI xuống thấp, ngã ra lên 1 (không tác động) bất chấp các ngã vào còn lại. Ta nói IC làm việc dưới điều kiện bị ép buộc và đây là trường hợp duy nhất BI giữ vai trò ngã vào.

3. Khi ngã vào RBI ở mức 0 và A=B=C=D=0, tất cả các ngã ra kể cả RBO đều xuống 0. Ta nói IC làm việc dưới điều kiện đáp ứng.

4. Khi BI/RBO để hở hay được giữ ở mức 1 và ngã vào thử đèn (Lamp test, LT) xuống 0, tất cả các led đều cháy (ngã ra xuống 0).

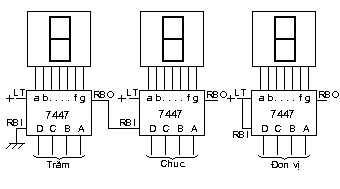
Dựa vào bảng sự thật và các ghi chú 7447 là IC giải mã BCD sang 7 đọan có đầy đủ các chức năng khác như : thử đèn, xóa số 0 khi nó không có nghĩa. Ta có thể hiểu rõ hơn chức năng này với thí dụ mạch hiển thị một kết quả có 3 chữ số sau đây: (H 4.14)

(H 4.14)

Vận hành của mạch có thể giải thích như sau:

- IC hàng đơn vị có ngã vào RBI đưa lên mức cao nên đèn số 0 hàng đơn vị luôn luôn được hiển thị (dòng 0 trong bảng sự thật), điều này là cần thiết để xác nhận rằng mạch vẫn chạy và kết quả giải mã là số 0.

- IC hàng chục có ngã vào RBI nối với ngã ra RBO của IC hàng trăm nên số 0 hàng chục chỉ được hiển thị khi số hàng trăm khác 0 (RBO=1) (dòng 0 đến 15).

- IC hàng trăm có ngã vào RBI đưa xuống mức thấp nên số 0 hàng trăm luôn luôn tắt (dòng ghi chú 3).

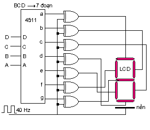
Hiển thị 7 đoạn bằng tinh thể lỏng (liquid crystal displays, LCD)

LCD gồm 7 đoạn như led thường và có chung một cực nền (backplane). Khi có tín hiệu xoay chiều biên độ khoảng 3 - 15 VRMS và tần số khoảng 25 - 60 Hz áp giữa một đoạn và cực nền, thì đoạn đó được tác động và sáng lên.

Trên thực tế người ta tạo hai tín hiệu nghịch pha giữa nền và một đoạn để tác động cho đoạn đó cháy.

Để hiểu được cách vận chuyển ta có thể dùng IC 4511 kết hợp với các cổng EX-OR để thúc LCD (H 4.15). Các ngã ra của IC 4511 (Giải mã BCD sang 7 đoạn, tác động cao) nối vào các ngã vào của các cổng EX-OR, ngã vào còn lại nối với tín hiệu hình vuông tần số khoảng 40 Hz (tần số thấp có thể gây ra nhấp nháy), tín hiệu này đồng thời được đưa vào nền. Khi một ngã ra mạch giải mã lên cao, ngã ra cổng EX-OR cho một tín hiệu đảo pha với tín hiệu ở nền, đoạn tương ứng xem như nhận được tín hiệu có biên độ gấp đôi và sẽ sáng lên. Với các ngã ra mạch giải mã ở mức thấp,

ngã ra cổng EX-OR cho một tín hiệu cùng pha với tín hiệu ở nền nên đoạn tương ứng không sáng.

Người ta thường dùng IC CMOS để thúc LCD vì hai lý do:

- CMOS tiêu thụ năng lượng rất thấp phù hợp với việc dùng pin cho các thiết bị dùng LCD.

- Mức thấp của CMOS đạt trị 0 và tín hiệu thúc LCD sẽ không chứa thành phần một chiều, tuổi thọ LCD được kéo dài. (Mức thấp của TTL khoảng 0,4 V, thành phần DC này làm giảm tuổi thọ của LCD).

(H 4.15)