MÁY TÍNH SONG SONG

MÁY TÍNH SONG SONG

Trong các máy tính siêu ống dẫn, siêu vô hướng, máy tính vectơ, máy tính VLIW, người ta đã dùng tính thực hiện song song các lệnh ở các mức độ khác nhau để làm tăng hiệu quả của chúng. Giới hạn về khả năng tính toán của loại máy trên cùng với sự phát triển của công nghệ máy tính khiến người ta nghĩ tới giải pháp song song theo đó người ta tăng cường hiệu quả của máy tính bằng cách tăng số lượng bộ xử lý.

Các máy tính có thể sắp xếp vào 4 loại sau:

  • SISD (Single Instructions Stream, Single Data Stream): Máy tính một dòng lệnh, một dòng số liệu.
  • SIMD (Single Instructions Stream, Multiple Data Stream): Máy tính một dòng lệnh, nhiều dòng số liệu.
  • MISD (Multiple Instructions Stream, Single Data Stream):Máy tính nhiều dòng lệnh, một dòng số liệu.
  • MIMD (Multiple Instruction Stream, Multiple Data Stream): Máy tính nhiều dòng lệnh, nhiều dòng số liệu.

Kiểu phân loại này đơn giản, dễ hiểu, vẫn còn hiệu lực đến hôm nay, mặc dù có những máy tính dùng kiến trúc hỗn tạp.

Các máy tính SISD tương ứng với các máy một bộ xử lý mà chúng ta đã nghiên cứu.

Các máy MISD kiểu máy tính này không sản xuất thương mại.

Các máy SIMD có một số lớn các bộ xử lý giống nhau, cùng thực hiện một lệnh giống nhau để xử lý nhiều dòng dữ liệu khác nhau. Mỗi bộ xử lý có bộ nhớ dữ liệu riêng, nhưng chỉ có một bộ nhớ lệnh và một bộ xử lý điều khiển, bộ này đọc và thi hành các lệnh. Máy CONNECTION MACHINE 2 (65536 bộ xử lý 1 bít) của công ty Thinking Machine Inc, là một ví dụ điển hình của SIMD. Tính song song dùng trong các máy SIMD là tính song song của các dữ liệu. Nó chỉ có hiệu quả nếu cấu trúc các dữ liệu dễ dàng thích ứng với cấu trúc vật lý của các bộ xử lý thành viên. Các bộ xử lý véc-tơ và mảng thuộc loại máy tính này

Các máy MIMD có kiến trúc song song, những năm gần đây, các máy MIMD nổi lên và được xem như một kiến trúc đương nhiên phải chọn cho các máy nhiều bộ xử lý dùng trong các ứng dụng thông thường, một tập hợp các bộ xử lý thực hiện một chuối các lệnh khác nhau trên các tập hợp dữ liệu khác nhau. Các máy MIMD hiện tại có thể được xếp vào ba loại hệ thống sẽ được giới thiệu trong phần tiếp theo của chương trình là: SMP (Symmetric Multiprocesors), Cluster NUMA (Nonunifrom Memory Access)

Một hệ thống SMP bao gồm nhiều bộ xử lý giống nhau được lắp đặt bên trong một máy tính, các bộ xử lý này kết nối với nhau bởi một hệ thống bus bên trong hay một vài sự sắp xếp chuyển mạch thích hợp. Vấn đề lớn nhất trong hệ thống SMP là sự kết hợp các hệ thống cache riêng lẻ. Vì mỗi bộ xử lý trong SMP có một cache riêng của nó, do đó, một khối dữ liệu trong bộ nhớ trong có thể tồn tại trong một hay nhiều cache khác nhau. Nếu một khối dữ liệu trong một cache của một bộ xử lý nào đó bị thay đổi sẽ dẫn đến dữ liệu trong cache của các bộ xử lý còn lại và trong bộ nhớ trong không đồng nhất. Các giao thức cache kết hợp được thiết kế để giải quyết vấn đề này.

Trong hệ thống cluster, các máy tính độc lập được kết nối với nhau thông qua một hệ thống kết nối tốc độ cao (mạng tốc độ cao Fast Ethernet hay Gigabit) và hoạt động như một máy tính thống nhất. Mỗi máy trong hệ thống được xem như là một phần của cluster, được gọi là một nút (node). Hệ thống cluster có các ưu điểm:

  • Tốc độ cao: Có thể tạo ra một hệ thống cluster có khả năng xử lý mạnh hơn bất cứ một máy tính đơn lẻ nào. Mỗi cluster có thể bao gồm hàng tá máy tính, mỗi máy có nhiều bộ xử lý.
  • Khả năng mở rộng cao: có thể nâng cấp, mở rộng một cluster đã được cấu hình và hoạt động ổn định.
  • Độ tin cậy cao: Hệ thống vẫn hoạt động ổn định khi có một nút (node) trong hệ thống bị hư hỏng. Trong nhiều hệ thống, khả năng chịu lỗi (fault tolerance) được xử lý tự động bằng phần mềm.
  • Chi phí đầu tư thấp: hệ thống cluster có khả năng mạnh hơn một máy tính đơn lẻ mạnh nhất với chi phí thấp hơn.

Một hệ thống NUMA (Nonunifrom Memory Access) là hệ thống đa xử lý được giới thiệu trong thời gian gần đây, đây là hệ thống với bộ nhớ chia sẻ, thời gian truy cập các vùng nhớ dành riêng cho các bộ xử lý thì khác nhau. Điều này khác với kiểu quản lý bộ nhớ trong hệ thống SMP (bộ nhớ dùng chung, thời gian truy cập các vùng nhớ khác nhau trong hệ thống cho các bộ xử lý là như nhau). Hệ thống này có những thuận lợi và bất lợi như sau:

Thuận lợi:

  • Thực hiện hiệu quả hơn so với hệ thống SMP trong các xử lý song song.
  • Không thay đổi phần mềm chính.
  • Bộ nhớ có khả năng bị nghẽn nếu có nhiều truy cập đồng thời, nhưng điều này có thể được khắc phục bằng cách:

+ Cache L1&L2 được thiết kế để giảm tối thiểu tất cả các thâm nhập bộ nhớ.

+ Cần các phần mềm cục bộ được quản lý tốt để việc các ứng dụng hoạt động hiệu quả.

+ Quản trị bộ nhớ ảo sẽ chuyển các trang tới các nút cần dùng.

Bất lợi:

  • Hệ thống hoạt động không trong suốt như SMP: việc cấp phát các trang, các quá trình có thể được thay đổi bởi các phần mềm hệ thống nếu cần.
  • Hệ thống phức tạp.

Liên quan đến bộ nhớ trong các máy tính song song, chúng ta có thể chia thành hai nhóm máy:

  • Nhóm máy thứ nhất, mà ta gọi là máy có kiến trúc bộ nhớ chia sẻ, có một bộ nhớ trung tâm duy nhất được phân chia cho các bộ xử lý và một hệ thống bus chia sẻ để nối các bộ xử lý và bộ nhớ. Vì chỉ có một bộ nhớ trong nên hệ thống bộ nhớ không đủ khả năng đáp ứng nhu cầu thâm nhập bộ nhớ của một số lớn các bộ xử lý. Kiểu kiến trúc bộ nhớ chia sẻ được dùng trong hệ thống SMP.

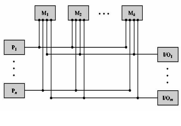
Nhóm máy thứ hai bao gồm các máy có bộ nhớ phân tán vật lý. Mỗi máy của nhóm này gồm có các nút, mỗi nút chứa một bộ xử lý, bộ nhớ, một vài ngã vào ra và một giao diện với hệ thống kết nối giữa các nút (hình III.10).

Hình III.10 : Cấu trúc nền của một bộ nhớ phân tán

Việc phân tán bộ nhớ cho các nút có hai điểm lợi. Trước hết, đây là một cách phân tán việc thâm nhập bộ nhớ. Thứ hai, cách này làm giảm thời gian chờ đợi lúc thâm nhập bộ nhớ cục bộ. Các lợi điểm trên làm cho kiến trúc có bộ nhớ phân tán được dùng cho các máy đa xử lý có một số ít bộ xử lý. Điểm bất lợi chính của kiến trúc máy tính này là việc trao đổi dữ liệu giữa các bộ xử lý trở nên phức tạp hơn và mất nhiều thời gian hơn vì các bộ xử lý không cùng chia sẻ một bộ nhớ trong chung. Cách thực hiện việc trao đổi thông tin giữa bộ xử lý và bộ nhớ trong, và kiến trúc logic của bộ nhớ phân tán là một tính chất đặc thù của các máy tính với bộ nhớ phân tán.

Có 2 phương pháp được dùng để truyền dữ liệu giữa các bộ xử lý.

i). Phương pháp thứ nhất là các bộ nhớ được phân chia một cách vật lý có thể được thâm nhập với một định vị chia sẻ một cách logic, nghĩa là nếu một bộ xử lý bất kỳ có quyền truy xuất, thì nó có thể truy xuất bất kỳ ô nhớ nào. Trong phương pháp này các máy được gọi có kiến trúc bộ nhớ chia sẻ phân tán (DSM: Distributed Sharing Memory). Từ bộ nhớ chia sẻ cho biết không gian định vị bị chia sẻ. Nghĩa là cùng một địa chỉ vật lý cho 2 bộ xử lý tường ứng với cùng một ô nhớ.

ii). Phương pháp thứ hai, không gian định vị bao gồm nhiều không gian định vị nhỏ không giao nhau và có thể được một bộ xử lý thâm nhập. Trong phương pháp này, một địa chỉ vật lý gắn với 2 máy khác nhau thì tương ứng với 2 ô nhớ khác nhau trong 2 bộ nhớ khác nhau. Mỗi mô-đun bộ xử lý-bộ nhớ thì cơ bản là một máy tính riêng biệt và các máy này được gọi là đa máy tính. Các máy này có thể gồm nhiều máy tính hoàn toàn riêng biệt và được nối vào nhau thành một mạng cục bộ.

Hình III.11 : Tổ chức kết nối của máy tính song song có bộ nhớ phân tán

Kiến trúc song song phát triển mạnh trong thời gian gần đây do các lý do:

- Việc dùng xử lý song song đặc biệt trong lãnh vực tính toán khoa học và công nghệ. Trong các lãnh vực này người ta luôn cần đến máy tính có tính năng cao hơn.

- Người ta đã chấp nhận rằng một trong những cách hiệu quả nhất để chế tạo máy tính có tính năng cao hơn các máy đơn xử lý là chế tạo các máy tính đa xử lý.

- Máy tính đa xử lý rất hiệu quả khi dùng cho đa chương trình. Đa chương trình được dùng chủ yếu cho các máy tính lớn và cho các máy phục vụ lớn.

Các ví dụ về các siêu máy tính dùng kỹ thuật xử lý song song:

  • Máy điện toán Blue Gene/L của IBM đang được đặt tại Phòng thí nghiệm Lawrence Livermore, và đứng đầu trong số 500 siêu máy tính mạnh nhất thế giới. Siêu máy tính Blue Gene/L sẽ được sử dụng cho các công việc "phi truyền thống", chủ yếu là giả lập và mô phỏng các quá trình sinh học và nguyên tử. Máy điện toán Blue Gene/L đã đạt tốc độ hơn 70 teraflop (nghìn tỷ phép tính/giây). Kết quả này có thể sẽ đưa cỗ máy lên vị trí dẫn đầu trong danh sách các siêu máy tính nhanh nhất thế giới, được công bố ngày 8/11/2004. Theo đó, siêu máy tính do IBM lắp ráp đã đạt tốc độ 70,72 teraflop trong các cuộc thử nghiệm hồi tháng 10/2004. IBM nghiên cứu và phát triển Blue Gene với mục đích thử nghiệm nhằm tạo ra các hệ thống cực mạnh nhưng chiếm ít không gian và tiêu thụ ít năng lượng. IBM dự kiến, sẽ lắp đặt cho phòng thí nghiệm quốc gia Lawrence Livermore một siêu máy tính có tốc độ nhanh gấp 4 lần so với kỷ lục vừa đạt được. Khi đó, thiết bị sẽ được ứng dụng vào nhiều nghiên cứu khoa học. Hệ thống mới bao gồm 16,384 giao điểm điện toán kết nối 32.768 bộ xử lý.
  • Thông tin mới nhất (02/2005) cho biết: siêu máy tính IBM Blue Gene/L vừa thiết lập kỷ lục mới đó là có khả năng xử lý 135,5 nghìn tỷ phép tính/giây (135,3 teraflop), vượt xa kỷ lục 70,72 teraflop do chính siêu máy tính này lập nên. Số bộ xử lý (BXL) của Blue Gene/L vừa được các nhà khoa học tăng lên gấp đôi (64.000 BXL) nhằm tăng cường khả năng tính toán cho siêu máy tính này. Cũng cần phải nhắc lại rằng thiết kế hoàn thiện của siêu máy tính Blue Gene/L, dự kiến sẽ hoàn tất vào khoảng tháng 6 tới, sẽ bao gồm 130.000 BXL với tốc độ tính toán được kỳ vọng vào khoảng 360 teraflop.

Blue Gene là tên gọi chung cho dự án nghiên cứu siêu máy tính được IBM khởi động từ năm 2000, với mục đích ban đầu là thiết kế một "cỗ máy" có khả năng xử lý 1 teraflop. Trong khi đó, siêu máy tính Blue Gene/L là một trong nhiều sản phẩm chủ lực của IBM nhằm cạnh tranh với các hãng đối thủ Silicon Graphics và NEC.

  • Hãng điện tử khổng lồ NEC phát hành một supercomputer dạng vector, máy SX-8 mới ra đời có tốc độ xử lý cực đại lên tới 65 teraflop (65 nghìn tỷ phép tính dấu phẩy động/giây) và khả năng hoạt động ổn định ở mức xấp xỉ 90% của tốc độ 58,5% teraflop. Máy SX-8 có kiến trúc khác hẳn Blue Gene/L của IBM. Nó dùng kiến trúc vector nên đem đến độ ổn định khi hoạt động cao hơn nhiều so với dạng máy tính vô hướng (scalar) như của IBM
  • Một hệ thống tại trung tâm nghiên cứu của Cơ quan hàng không vũ trụ Mỹ (NASA) tại California cũng đạt được tốc độ 42,7 teraflop. Với tên gọi Columbia, siêu máy tính này sẽ được sử dụng để nghiên cứu khí tượng và thiết kế máy bay. Hệ thống trị giá 50 triệu USD (thời điểm tháng 10/2004) này sử dụng phần mềm Linux và đã được SGI ký hợp đồng bán cho Cơ quan hàng không vũ trụ Mỹ NASA. Nó có thể thực hiện 42,7 nghìn tỷ phép tính/giây (42,7 teraflop). Tuy nhiên, tốc độ đó chưa phải là tất cả những gì nổi bật của siêu máy tính này: hệ thống mới chỉ khai thác có 4/5 công suất của 10.240 bộ xử lý Intel Itanium 2 trong toàn bộ cỗ máy đặt ở trung tâm nghiên cứu của NASA ở California (Mỹ). Siêu máy tính này không giống với hầu hết các siêu máy tính hiện nay thường được tạo nên theo kiểu cluster, với sự tham gia của nhiều cỗ máy giá rẻ. Columbia được thiết lập từ 20 máy tính mà mỗi chiếc có 512 bộ xử lý, kết nối bằng công nghệ mạng cao tốc và đều chạy một hệ điều hành độc lập. Cách xây dựng này rất hữu ích cho những công việc như giả lập các yếu tố khí động lực cho tàu không gian. Một ứng dụng khác của siêu máy tính Columbia là việc dự báo bão. Phần mềm cho tác vụ này đang được thiết kế và hứa hẹn khả năng dự báo chính xác đường đi của bão sớm 5 ngày. Toàn bộ máy Columbia chiếm dụng một diện tích bằng khoảng 3 sân bóng rổ.