Một số sơ đồ bảo vệ tiêu biểu cho máy biến áp

MỘT SỐ SƠ ĐỒ BẢO VỆ TIÊU BIỂU CHO MBA

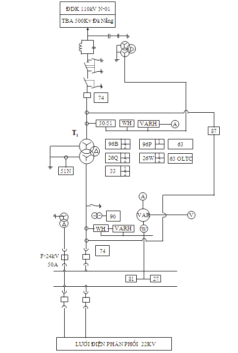
Các ký hiệu trên sơ đồ:

50/51: Bảo vệ quá dòng điện 2 cấp 50/51N: Bảo vệ quá dòng thứ tự không 2 cấp
51N : Bảo vệ quá dòng thứ tự không 27 : Bảo vệ điện áp thấp
81 : Rơle tự động sa thải phụ tải 96B: Bảo vệ hơi của dòng dầu MBA
74 : Rơle kiểm tra cuộn cắt máy cắt 96P : Bảo vệ hơi của dòng dầu của bộ ĐCĐA
26Q: Bảo vệ nhiệt độ dầu MBA tăng cao 2 cấp 66 : Bảo vệ áp suất tăng cao trong MBA
26W : Bảo vệ nhiệt độ cuộn dây MBA - 2 cấp 66 OLTC: Bảo vệ áp suất tăng cao trong bộ ĐA
33 : Bảo vệ mức dầu MBA giảm thấp - 2 cấp A, V : Ampemet, Vônmet
Wh : Máy đếm điện năng tác dụng W: Oatmet
Varh : Máy đếm điện năng phản kháng Var :Varmet

Sơ đồ bảo vệ MBA 2 cuộn dây tiêu biểu (Hình 2.34)