Nối P-N và Diode (P-N junction và Diot)

CẤU TẠO CỦA NỐI P-N:

Hình sau đây mô tả một nối P-N phẳng chế tạo bằng kỹ thuật Epitaxi.

Trước tiên, người ta dùng một thân Si-n+ (nghĩa là pha khá nhiều nguyên tử cho). Trên thân này, người ta phủ một lớp cách điện SiO2 và một lớp verni nhạy sáng. Xong người ta đặt lên lớp verni một mặt nạ có lỗ trống rồi dùng một bức xạ để chiếu lên mặt nạ, vùng verni bị chiếu có thể rửa được bằng một loại axid và chừa ra một phần Si-n+, phần còn lạivẫn được phủ verni. Xuyên qua phần không phủ verni, người ta cho khuếch tán những nguyên tử nhận vào thân Si-n+ để biến một vùng của thân này thành Si-p. Sau cùng, người ta phủ kim loại lên các vùng p và n+ và hàn dây nối ra ngoài. Ta được một nối P-N có mặt nối giữa vùng p và n+ thẳng.

Khi nối PN được thành lập, các lỗ trống trong vùng P khuếch tán sang vùng N và ngược lại, các điện tử trong vùng N khuếch tán sang vùng P. Trong khi di chuyển, các điện tử và lỗ trống có thể tái hợp với nhau. Do đó, có sự xuất hiện của một vùng ở hai bên mối nối trong đó chỉ có những ion âm của những nguyên tử nhận trong vùng P và những ion dương của nguyên tử cho trong vùng N. các ion dương và âm này tạo ra một điện trường Ej chống lại sự khuếch tán của các hạt điện, nghĩa là điện trường Ei sẽ tạo ra một dòng điện trôi ngược chiều với dòng điện khuếch tán sao cho dòng điện trung bình tổng hợp triệt tiêu. Lúc đó, ta có trạng thái cân bằng nhiệt. Trên phương diện thống kê, ta có thể coi vùng có những ion cố định là vùng không có hạt điện di chuyển (không có điện tử tự do ở vùng N và lỗ trống ở vùng P). Ta gọi vùng này là vùng khiếm khuyết hay vùng hiếm (Depletion region). Tương ứng với điện trường Ei, ta có một điện thế V0 ở hai bên mặt nối, V0 được gọi là rào điện thế.

Tính V0: ta để ý đến dòng điện khuếch tán của lỗ trống:

J pkt = e . D p . dp dx > 0 size 12{J rSub { size 8{"pkt"} } = - e "." D rSub { size 8{p} } "." { { ital "dp"} over { ital "dx"} } >0} {}

và dòng điện trôi của lỗ trống:

J ptr = e . p . μ p . E i < 0 size 12{J rSub { size 8{ ital "ptr"} } =e "." p "." μ rSub { size 8{p} } "." E rSub { size 8{i} } <0} {}

Khi cân bằng, ta có:

Jpkt+Jptr = 0

Hay là: e.Dp.dpdx=e.p.μp.Ei size 12{e "." D rSub { size 8{p} } "." { { ital "dp"} over { ital "dx"} } =e "." p "." μ rSub { size 8{p} } "." E rSub { size 8{i} } } {}

D p μ p . dp p = E i . dx size 12{ drarrow { {D rSub { size 8{p} } } over {μ rSub { size 8{p} } } } "." { { ital "dp"} over {p} } =E rSub { size 8{i} } "." ital "dx"} {}

Dpμp=VT=KTe size 12{ { {D rSub { size 8{p} } } over {μ rSub { size 8{p} } } } =V rSub { size 8{T} } = { { ital "KT"} over {e} } } {}

Ei=dVdx size 12{E rSub { size 8{i} } = { { - ital "dV"} over { ital "dx"} } } {}

Do đó: dV=VT.dpp size 12{ ital "dV"= - V rSub { size 8{T} } "." { { ital "dp"} over {p} } } {}

Lấy tích phân 2 vế từ x1 đến x2 và để ý rằng tại x1 điện thế được chọn là 0volt, mật độ lỗ trống là mật độ Ppo­ ở vùng P lúc cân bằng. Tại x2, điện thế là V0 và mật độ lỗ trống là Pno ở vùng N lúc cân bằng.

0 V 0 dV = V T P P o P n o dp p size 12{ Int cSub { size 8{0} } cSup { size 8{V rSub { size 6{0} } } } { - ital "dV"} =V rSub {T} Int rSub {P rSub { size 6{P rSub {o} } } } rSup {P rSub { size 6{n rSub {o} } } } { size 12{ { { ital "dp"} over {p} } } } } {}

Mà: Pnoni2ND và PPoNA size 12{P rSub { size 8{n rSub { size 6{o} } } } approx { {n rSub {i} rSup {2} } over { size 12{N rSub {D} } } } size 12{" và P" rSub {P rSub { size 6{o} } } } size 12{ approx N rSub {A} }} {}

Nên: V0=VTlogPPoPno size 12{V rSub { size 8{0} } =V rSub { size 8{T} } "log" left ( { {P rSub { size 8{P rSub { size 6{o} } } } } over {P rSub {n rSub { size 6{o} } } } } right )} {}

Hoặc: V0=KTelogNDNAni2 size 12{V rSub { size 8{0} } = { { ital "KT"} over {e} } "log" left ( { {N rSub { size 8{D} } N rSub { size 8{A} } } over {n rSub { size 8{i} } rSup { size 8{2} } } } right )} {}

Tương tự như trên, ta cũng có thể tìm V0 từ dòng điện khuếch tán của điện tử và dòng điện trôi của điện tử.

e . D n dn dx + e . n . μ n . E i = 0 size 12{e "." D rSub { size 8{n} } { { ital "dn"} over { ital "dx"} } +e "." n "." μ rSub { size 8{n} } "." E rSub { size 8{i} } =0} {}

Thông thường V00,7volt size 12{V rSub { size 8{0} } approx 0,7 ital "volt"} {}nếu nối P-N là Si

V00,3 size 12{V rSub { size 8{0} } approx 0,3} {} volt nếu nối P-N là Ge

Với các hợp chất của Gallium như GaAs (Gallium Arsenide), GaP (Gallium Phospho), GaAsP (Gallium Arsenide Phospho), V0 thay đổi từ 1,2 volt đến 1,8 volt. Thường người ta lấy trị trung bình là 1,6 volt.

DÒNG ĐIỆN TRONG NỐI P-N KHI ĐƯỢC PHÂN CỰC:

Ta có thể phân cực nối P-N theo hai cách:

- Tác dụng một hiệu điện thế giữa hai cực của nối sao cho điện thế vùng P lớn hơn vùng N một trị số V. Trường hợp này ta nói nối P-N được phân cực thuận (Forward Bias).

- Nếu điện thế vùng N lớn hơn điện thế vùng P, ta nói nối P-N được phân cưc nghịch (Reverse Bias).

Nối P-N được phân cực thuận:

Khi chưa được phân cực, ngang mối nối ta có một rào điện thế V0. Khi phân cực thuận bằng hiệu điện thế V thì rào điện thế giảm một lượng V và trở thành VB = V0-V, do đó nối P-N mất thăng bằng. Lỗ trống khuếch tán từ vùng P sang vùng N tạo ra dòng điện Ip. Điện tử khuếch tán từ vùng N sang vùng P tạo ra dòng điện In. Dòng điện I qua nối P-N là : I=Ip+In size 12{I=I rSub { size 8{p} } +I rSub { size 8{n} } } {}

Dòng điện I không phụ thuộc vào thời gian và vị trí của tiết diện A vì ta có một trạng thái thường xuyên nhưng dòng điện In và Ip­ phụ thuộc vào vị trí của tiết diện.

Trong vùng P xa vùng hiếm, lỗ trống trôi dưới tác dụng của điện trường tạo nên dòng Jpp. Khi các lỗ trống này đến gần vùng hiếm, một số bị tái hợp với các điện tử từ vùng N khuếch tán sang. Vì vùng hiếm rất mỏng và không có điện tử nên trong vùng này các lỗ trống khuếch tán thẳng ngang qua mà không bị mất và tiếp tục khuếch tán sang vùng N nhưng bị mất lần vì có sự tái hợp với các điện tử trong vùng này.

Tương tự, sự khuếch tán của điện tử từ vùng N sang vùng P cũng tuân theo qui chế trên. Ta để ý là các đồ thị nhận một trục đối xứng vì tổng số các dòng điện lỗ trống và dòng điện tử phải bằng một hằng số.

Ta có:Jpp (x1) = Jpn(x2)

Jnp (x1) = Jnn(x2)

Dòng điện J tại một tiết diện bất kỳ là hằng số. Vậy tại x1 hoặc x2 ta có:

J = Jpp(x1) + Jnp (x1) = Jpn(x2) + Jnn(x2)

Dòng điện Jpn là dòng khuếch tán các lỗ trống, nên có trị số tại tiết diện x là:

J pn ( x ) = e . D p . dP n ( x ) dx size 12{J rSub { size 8{ ital "pn"} } \( x \) = - e "." D rSub { size 8{p} } "." { { ital "dP" rSub { size 8{n} } \( x \) } over { ital "dx"} } } {}

Trong đó, Pn(x) là mật độ lỗ trống trong vùng N tại điểm x. Ta tính Pn(x)

Ta dùng phương trình liên tục:

P n t = P n P n 0 τ p I p x . 1 e . A size 12{ { { partial P rSub { size 8{n} } } over { partial t} } = - { {P rSub { size 8{n} } - P rSub { size 8{n rSub { size 6{0} } } } } over {τ rSub {p} } } size 12{ - { { partial I rSub {p} } over { size 12{ partial x} } } } size 12{ "." { {1} over {e "." A} } }} {}

Vì dòng điện Jpn không phụ thuộc vào thời gian nên phương trình trở thành:

d2Pndx2=PnPn0Lp2 size 12{ { {d rSup { size 8{2} } P rSub { size 8{n} } } over { ital "dx" rSup { size 8{2} } } } = { {P rSub { size 8{n} } - P rSub { size 8{n rSub { size 6{0} } } } } over {L rSub {p} rSup {2} } } } {} Trong đó Lp=Dp.τp size 12{L rSub { size 8{p} } = sqrt {D rSub { size 8{p} } "." τ rSub { size 8{p} } } } {}

Và có nghiệm số là: Pn(x)Pn0=Pn(x2)Pn0.exx2Lp size 12{P rSub { size 8{n} } \( x \) - P rSub { size 8{n rSub { size 6{0} } } } = left [P rSub {n} size 12{ \( x rSub {2} } size 12{ \) - P rSub {n rSub { size 6{0} } } } right ] size 12{ "." e rSup { - { {x - x rSub { size 6{2} } } over {L rSub { size 6{p} } } } } }} {}

Suy ra, Jpn(x2)=e.DpdPndxx=x2=e.DpLpPn(x2)Pn0 size 12{J rSub { size 8{ ital "pn"} } \( x rSub { size 8{2} } \) = - e "." D rSub { size 8{p} } { { ital "dP" rSub { size 8{n} } } over { ital "dx"} } \rline rSub { size 8{x=x rSub { size 6{2} } } } = { {e "." D rSub {p} } over { size 12{L rSub {p} } } } left [ size 12{P rSub {n} size 12{ \( x rSub {2} } size 12{ \) - P rSub {n rSub { size 6{0} } } }} right ]} {}

Ta chấp nhận khi có dòng điện qua mối nối, ta vẫn có biểu thức: dv=VTdpp size 12{ ital "dv"= - V rSub { size 8{T} } { { ital "dp"} over {p} } } {} như trong trường hợp nối cân bằng.

Lấy tích phân hai vế từ x1 đến x2 ta được:

0 V B dv = V T p p ( x 1 ) p p 0 p n ( x 2 ) dp p size 12{ Int cSub { size 8{0} } cSup { size 8{V rSub { size 6{B} } } } { ital "dv"} = - V rSub {T} Int cSub {p rSub { size 6{p \( x rSub {1} \) } } approx p rSub { size 6{p rSub {0} } } } cSup {p rSub { size 6{n} } \( x rSub { size 6{2} } \) } { size 12{ { { ital "dp"} over {p} } } } } {}

Ta được:

Mà: VB=V0V=VTlogPp0Pn0V size 12{V rSub { size 8{B} } =V rSub { size 8{0} } - V=V rSub { size 8{T} } "log" left ( { {P rSub { size 8{p rSub { size 6{0} } } } } over {P rSub {n rSub { size 6{0} } } } } right ) size 12{ - V}} {}

Suy ra: V=VTlogPn(x2)Pn0 size 12{V=V rSub { size 8{T} } "log" left ( { {P rSub { size 8{n} } \( x rSub { size 8{2} } \) } over {P rSub { size 8{n rSub { size 6{0} } } } } } right )} {}

Nên: Pn(x2)=Pn0.eVVT size 12{P rSub { size 8{n} } \( x rSub { size 8{2} } \) =P rSub { size 8{n rSub { size 6{0} } } } "." e rSup { { {V} over {V rSub { size 6{T} } } } } } {}

Do đó: Jpn(x2)=e.Dp.1LpP(x2)Pn0 size 12{J rSub { size 8{ ital "pn"} } \( x rSub { size 8{2} } \) =e "." D rSub { size 8{p} } "." { {1} over {L rSub { size 8{p} } } } left [P \( x rSub { size 8{2} } \) - P rSub { size 8{n rSub { size 6{0} } } } right ]} {}

J pn ( x 2 ) = e . D p L p . P n 0 . e V V T 1 size 12{J rSub { size 8{ ital "pn"} } \( x rSub { size 8{2} } \) =e "." { {D rSub { size 8{p} } } over {L rSub { size 8{p} } } } "." P rSub { size 8{n rSub { size 6{0} } } } "." left [e rSup { { {V} over {V rSub { size 6{T} } } } } size 12{ - 1} right ]} {}

Tương tự, ta có:

J np ( x 1 ) = e . D n . 1 L n n p ( x 1 ) n p 0 size 12{J rSub { size 8{ ital "np"} } \( x rSub { size 8{1} } \) =e "." D rSub { size 8{n} } "." { {1} over {L rSub { size 8{n} } } } left [n rSub { size 8{p} } \( x rSub { size 8{1} } \) - n rSub { size 8{p rSub { size 6{0} } } } right ]} {} J np ( x 1 ) = e . D n L n . n p 0 e V V T 1 size 12{J rSub { size 8{ ital "np"} } \( x rSub { size 8{1} } \) =e "." { {D rSub { size 8{n} } } over {L rSub { size 8{n} } } } "." n rSub { size 8{p rSub { size 6{0} } } } left [e rSup { { {V} over {V rSub { size 6{T} } } } } size 12{ - 1} right ]} {}

Suy ra, mật độ dòng điện J trong mối nối P-N là:

J = J pn ( x 2 ) + J np ( x 1 ) size 12{J=J rSub { size 8{ ital "pn"} } \( x rSub { size 8{2} } \) +J rSub { size 8{ ital "np"} } \( x rSub { size 8{1} } \) } {}

J = e D P L P . p no + D n L n . n po . e V V T 1 size 12{J=e left [ { {D rSub { size 8{P} } } over {L rSub { size 8{P} } } } "." p rSub { size 8{ ital "no"} } + { {D rSub { size 8{n} } } over {L rSub { size 8{n} } } } "." n rSub { size 8{ ital "po"} } right ] "." left [e rSup { size 8{ { {V} over {V rSub { size 6{T} } } } } } - 1 right ]} {}

Như vậy, dòng điện qua mối nối P-N là:

I = A . e D P L P . p no + D n L n . n po . e V V T 1 size 12{I=A "." e left [ { {D rSub { size 8{P} } } over {L rSub { size 8{P} } } } "." p rSub { size 8{ ital "no"} } + { {D rSub { size 8{n} } } over {L rSub { size 8{n} } } } "." n rSub { size 8{ ital "po"} } right ] "." left [e rSup { size 8{ { {V} over {V rSub { size 6{T} } } } } } - 1 right ]} {}

Đặt: I0=A.e.DPLP.pno+DnLn.npo size 12{I rSub { size 8{0} } =A "." e "." left [ { {D rSub { size 8{P} } } over {L rSub { size 8{P} } } } "." p rSub { size 8{ ital "no"} } + { {D rSub { size 8{n} } } over {L rSub { size 8{n} } } } "." n rSub { size 8{ ital "po"} } right ]} {}

Ta được: I=I0eVVT1 size 12{I=I rSub { size 8{0} } left [e rSup { size 8{ { {V} over {V rSub { size 6{T} } } } } } - 1 right ]} {}

Phương trình này được gọi là phương trình Schockley

Trong đó: VT=kTe=Dpμp=Dnμn size 12{V rSub { size 8{T} } = { { ital "kT"} over {e} } = { {D rSub { size 8{p} } } over {μp} } = { {D rSub { size 8{n} } } over {μn} } } {}

Với k=1,381.1023J/0K size 12{k=1,"381" "." "10" rSup { size 8{ - "23"} } J/ rSup { size 8{0} } K} {}là hằng số Boltzman

e=1,602.1019coulomb size 12{e= - 1,"602" "." "10" rSup { size 8{ - "19"} } ital "coulomb"} {}, là điện tích của electron

T là nhiệt độ tuyệt đối.

Ở nhiệt độ bình thường, T=2730K, VT=0,026 volt. Khi mối nối chuyển vận bình thường, V thay đổi từ 0,3 V đến 0,7 V tùy theo mối là Ge hay Si, VVT>10eVVT>>1 size 12{ { {V} over {V rSub { size 8{T} } } } >"10" drarrow e rSup { size 8{ { {V} over {V rSub { size 6{T} } } } } } ">>"1} {}

Vậy, II0.eVVT size 12{I approx I rSub { size 8{0} } "." e rSup { size 8{ { {V} over {V rSub { size 6{T} } } } } } } {}

Ghi chú: Công thức trên chỉ đúng trong trường hợp dòng điện qua mối nối khá lớn (vùng đặc tuyến V-I thẳng, xem phần sau); với dòng điện I tương đối nhỏ (vài mA trở xuống), người ta chứng minh được dòng điện qua mối nối là:

I = I 0 e V ηV T 1 size 12{I=I rSub { size 8{0} } left [e rSup { size 8{ { {V} over {ηV rSub { size 6{T} } } } } } - 1 right ]} {}

Với  = 1 khi mối nối là Ge

 = 2 khi mối nối là Si

Nối P-N khi được phân cực nghịch:

Khi nối P-N được phân cực nghịch, rào điện thế tăng một lượng V. Lỗ trống và điện tử không thể khuếch tán ngang qua mối nối. Tuy nhiên, dưới tác dụng của nhiệt, một số ít điện tử và lỗ trống được sinh ra trong vùng hiếm tạo ra một dòng điện có chiều từ vùng N sang vùng P. Vì điện tử và lỗ trống sinh ra ít nên dòng điện ngược rất nhỏ, thường chừng vài chục A hay nhỏ hơn. Để ý là dòng điện ngược này là một hàm số của nhiệt độ.

Người ta cũng chứng minh được trong trường hợp nối P-N phân cực nghịch với hiệu điện thế V<0, dòng điện qua nối là:

I = I 0 e V ηV T 1 size 12{I=I rSub { size 8{0} } left [e rSup { size 8{ { {V} over {ηV rSub { size 6{T} } } } } } - 1 right ]} {}

I0 cũng có trị số:

I 0 = A . e . D P L P . p no + D n L n . n po size 12{I rSub { size 8{0} } =A "." e "." left [ { {D rSub { size 8{P} } } over {L rSub { size 8{P} } } } "." p rSub { size 8{ ital "no"} } + { {D rSub { size 8{n} } } over {L rSub { size 8{n} } } } "." n rSub { size 8{ ital "po"} } right ]} {}

Thông thường, eVηVT<<1 size 12{e rSup { size 8{ { {V} over {ηV rSub { size 6{T} } } } } } "<<"1} {} nên I # I0

Thí dụ: Xem mạch sau đây

D1 và D2 là 2 nối P-N Si. Tìm điện thế V1 và V2 xuyên qua nối.

Giải: Dòng điện qua 2 nối P-N là như nhau. Chú ý là dòng điện qua D2 là dòng thuận và dòng qua D1 là dòng nghịch.

Vậy: I=I0eVηVT1=I0 size 12{I=I rSub { size 8{0} } left [e rSup { size 8{ { {V} over {ηV rSub { size 6{T} } } } } } - 1 right ]=I rSub {0} } {} với  = 2 và VT = 0,026V

e V 2 0, 052 = 2 size 12{ drarrow e rSup { size 8{ { {V rSub { size 6{2} } } over {0,"052"} } } } =2} {}

V 2 = 0, 693 . 0, 052 = 0, 036 ( V ) size 12{ drarrow V rSub { size 8{2} } =0,"693" "." 0,"052"=0,"036" \( V \) } {}

Do đó, điện thế ngang qua nối phân cực nghịch là:

V1 = 5–V2 =5 – 0,036 = 4,964 (V)

I0 là dòng điện bảo hòa ngược. Dòng điện trong nối P-N có thể diễn tả bằng đồ thị sau đây, được gọi là đặc tuyến V-I của nối P-N.

Khi hiệu thế phân cực thuận còn nhỏ, dòng điện I tăng chậm. Khi hiệu thế phân cực thuận đủ lớn, dòng điện I tăng nhanh trong lúc hiệu điện thế hai đầu mối nối tăng rất ít.

Khi hiệu thế phân cực nghịch còn nhỏ, chỉ có 1 dòng điện rỉ I0 chạy qua. Khi hiệu điện thế phân cực nghịch đủ lớn, những hạt tải điện sinh ra dưới tác dụng của nhiệt được điện trường trong vùng hiếm tăng vận tốc và có đủ năng lượng rứt nhiều điện tử khác từ các nối hóa trị. Cơ chế này cứ chồng chất, sau cùng ta có một dòng điện ngược rất lớn, ta nói nối P-N ở trung vùng phá hủy theo hiện tượng tuyết đổ (avalanche).

ẢNH HƯỞNG CỦA NHIỆT ĐỘ LÊN NỐI P-N:

1. Dòng điện bảo hòa ngược I0 tùy thuộc vào nồng độ chất pha, diện tích mối nối và nhất là nhiệt độ.

Thông thường ta thấy rằng I0 sẽ tăng lên gấp đôi khi nhiệt độ mối nối tăng lên 100C

I0(t0C)=I0(250C).2t2510 size 12{I rSub { size 8{0} } \( t rSup { size 8{0} } C \) =I rSub { size 8{0} } \( "25" rSup { size 8{0} } C \) "." 2 rSup { size 8{ { { {} rSup { size 6{t - "25"} } } over {"10"} } } } } {} với t là nhiệt độ (0C)

Hình sau đây mô tả sự biến thiên của dòng điện bảo hòa ngược theo nhiệt độ.

Thí dụ: 1N914B là diode Si chuyển mạch nhanh có dòng bảo hòa ngược I0=25nA ở 250C. Tìm I0 ở 1000C.

Áp dụng: I0(t0C)=I0(250C).2t2510 size 12{I rSub { size 8{0} } \( t rSup { size 8{0} } C \) =I rSub { size 8{0} } \( "25" rSup { size 8{0} } C \) "." { {2 rSup { size 8{t - "25"} } } over {"10"} } } {}

= 25 nA . 2 100 25 10 size 12{ {}="25" ital "nA" "." { {2 rSup { size 8{"100" - "25"} } } over {"10"} } } {}

= 25 nA . 181 size 12{ {}="25" ital "nA" "." "181"} {}

I 0 ( 100 0 C ) = 4, 525 μA size 12{ drarrow I rSub { size 8{0} } \( "100" rSup { size 8{0} } C \) =4,"525"μA} {}

2. Tính chất của nối P-N khi phân cực thuận cũng thay đổi theo nhiệt độ.

Khi nhiệt độ của nối P-N tăng, điện thế thềm của mối nối giảm (nối dễ dẫn điện hơn). Người ta thấy rằng, khi nhiệt độ tăng lên 10C điện thế thềm giảm 1,8mV ở diode Si và giảm 2,02mV ở diode Ge. Một cách tổng quát có thể coi như điện thế thềm giảm 2mV khi nhiệt độ tăng lên 10C.

ΔV D Δt = 2 mV / 0 C size 12{ { {ΔV rSub { size 8{D} } } over {Δt} } = - 2 ital "mV"/ rSup { size 8{0} } C} {}

3. Nhiệt độ của nối P-N cũng quyết định điện thế sụp đổ. Nếu nhiệt độ tăng lên đến một trị nào đó thì điện thế sụp đổ sẽ giảm xuống rất nhỏ và mối nối P-N không còn sử dụng được nữa. Nhiệt độ này là 1500C đối với Si và 850C đối với Ge.

NỘI TRỞ CỦA NỐI P-N.

Người ta thường chú ý đến hai loại nội trở của nối P-N

Nội trở tĩnh: (Static resistance).

Nội trở tĩnh là điện trở nội của nối P-N trong mạch điện một chiều. Người ta định nghĩa điện trở một chiều ở một điểm phân cực là tỉ số V/I ở điểm đó.

Nội trở của nối tại điểm Q là:

R D = V I size 12{R rSub { size 8{D} } = { {V} over {I} } } {}

Khi nối P-N phân cực thuận càng mạnh, dòng điện I càng lớn trong lúc điện thế V gần như không đổi nên nội trở càng nhỏ.

Nội trở động của nối P-N: (Dynamic Resistance)

Giả sử dòng dòng điện ngang qua nối P-N là IQ tương ứng với một điện thế phân cực thuận VQ.

Khi V biến thiên một lượng V từ trị số VQ thì I cũng biến thiên một lượng tương ứng I từ trị số IQ. Tỉ số ΔIΔV size 12{ { {ΔI} over {ΔV} } } {}bằng với độ dốc của tiếp tuyến tại điểm Q với đặc tuyến của nối P-N.

Đặt: ΔIΔV=1rd size 12{ { {ΔI} over {ΔV} } = { {1} over {r rSub { size 8{d} } } } } {} ;rd được gọi là điện trở động của nối P-N khi phân cực thuận.

Với tín hiệu u nhỏ, ta có:

r d = ΔV ΔI = dV dI Q size 12{r rSub { size 8{d} } = { {ΔV} over {ΔI} } = { { ital "dV"} over { ital "dI"} } \rline rSub { size 8{Q} } } {}

Với I=I0.eVηVT1 size 12{I=I rSub { size 8{0} } "." left [e rSup { size 8{ { {V} over {ηV rSub { size 6{T} } } } } } - 1 right ]} {}

Suy ra:

dI dV = I 0 1 ηV T . e V ηV T size 12{ { { ital "dI"} over { ital "dV"} } =I rSub { size 8{0} } left [ { {1} over {ηV rSub { size 8{T} } } } "." e rSup { size 8{ { {V} over {ηV"" lSub { size 6{T} } } } } } right ]} {}

Ngoài ra,

I = I 0 . e V ηV T 1 = I 0 . e V ηV T I 0 size 12{I=I rSub { size 8{0} } "." left [e rSup { size 8{ { {V} over {ηV rSub { size 6{T} } } } } } - 1 right ]=I rSub {0} size 12{ "." e rSup { { {V} over {ηV rSub { size 6{T} } } } } } size 12{ - I rSub {0} }} {}

Hay I+I0=I0.eVηVT size 12{I+I rSub { size 8{0} } =I rSub { size 8{0} } "." e rSup { size 8{ { {V} over {ηV rSub { size 6{T} } } } } } } {}

Do đó, dIdV=I+I0ηVT size 12{ { { ital "dI"} over { ital "dV"} } = { {I+I rSub { size 8{0} } } over {ηV rSub { size 8{T} } } } } {}

Và điện trở động là:

r d = dI dV = ηV T I + I 0 size 12{r rSub { size 8{d} } = { { ital "dI"} over { ital "dV"} } = { {ηV rSub { size 8{T} } } over {I+I rSub { size 8{0} } } } } {}

Thông thường, I>>I0 size 12{I">>"I rSub { size 8{0} } } {}nên rd=ηVTI size 12{r rSub { size 8{d} } = { {ηV rSub { size 8{T} } } over {I} } } {}

Ở nhiệt độ bình thường (250C), VT = 26mV, điện trở động là:

r d = η . 26 mV I ( mA ) size 12{r rSub { size 8{d} } = { {η "." "26" ital "mV"} over {I \( ital "mA" \) } } } {}

Với dòng điện I khá lớn, =1, điện trở động rd có thể được tính theo công thức:

r d = 26 mV I ( mA ) size 12{r rSub { size 8{d} } = { {"26" ital "mV"} over {I \( ital "mA" \) } } } {}

Ở nhiệt độ bình thường, nếu IQ = 100mA thì rd = 0,26. Trong một nối P-N thực, vì có tiếp trở giữa các mối nối, điện trở giữa hai vùng bán dẫn P và N nên điện trở động thực sự lớn hơn nhiều so với trị số tính được, thông thường khoảng vài chục .

Đây cũng chính là kiểu mẫu của Diode với tín hiệu nhỏ. Người ta cũng định nghĩa điện trở động khi phân cực nghịch

r r = dV dI Q size 12{r rSub { size 8{r} } = { { ital "dV"} over { ital "dI"} } \rline rSub { size 8{Q} } } {}

Vì độ dốc của tiếp tuyến tại Q khi nối P-N phân cực nghịch rất nhỏ nên điện trở động rr rất lớn, hàng M.

ĐIỆN DUNG CỦA NỐI P-N.

Điện dung chuyển tiếp (Điện dung nối)

Khi nối P-N được phân cực nghịch, vùng hiếm được nới rộng do có sự gia tăng điện tích trong vùng này. Với một sự biến thiên V của hiệu điện thế phân cực nghịch, điện tích trong vùng hiếm tăng một lượng Q. Vùng hiếm có tác dụng như một tụ điện gọi là điện dung chuyển tiếp CT.

C T = ΔQ ΔV = ε . A W d size 12{C rSub { size 8{T} } = lline { {ΔQ} over {ΔV} } = { {ε "." A} over {W rSub { size 8{d} } } } rline } {}

Trong đó,  là hằng số điện môi của chất bán dẫn, A là điện tích của nối P-N và Wd là độ rộng của vùng hiếm.

Khi điện thế phân cực nghịch thay đổi, độ rộng của vùng hiếm thay đổi nên điện dung chuyển tiếp CT cũng thay đổi. Người ta chứng minh được CT có trị số:

C T = K V 0 + V R n size 12{C rSub { size 8{T} } = { {K} over { left (V rSub { size 8{0} } +V rSub { size 8{R} } right ) rSup { size 8{n} } } } } {}

Trong đó, K là hằng số tùy thuộc vào chất bán dẫn và kỹ thuật chế tạo. V0 là rào điện thế của nối P-N (Si là 0,7V và Ge là 0,3V). VR là điện thế phân cực nghịch. n=13 size 12{n= { {1} over {3} } } {}trong trường hợp nối P-N là dốc lài (linearly graded juntion) và n=12 size 12{n= { {1} over {2} } } {}trong trường hợp nối P-N thuộc loại dốc đứng (brupt juntion).

Nếu gọi Cj(0) là trị số của CT đo được khi VR=0, ta có:

C T = C j ( 0 ) 1 + V R V 0 n size 12{C rSub { size 8{T} } = { {C rSub { size 8{j} } \( 0 \) } over { left (1+ { {V rSub { size 8{R} } } over {V rSub { size 8{0} } } } right ) rSup { size 8{n} } } } } {}

Trong các nối P-N thông thường, CT có trị số từ 5pF đến 100pF

Điện dung khuếch tán. (Difusion capacitance)

Khi nối P-N được phân cực thuận, lỗ trống được khuếch tán từ vùng P sang vùng N và điện tử khuếch tán từ vùng N sang vùng P. Sự phân bố các hạt tải điện thiểu số ở hai bên vùng hiếm tạo nên một điện dung gọi là điện dung khuếch tán CD.. Người ta chứng minh được điện dung khuếch tán CDtỉ lệ với dòng điện qua nối P-N theo công thức:

C D = τI ηV T size 12{C rSub { size 8{D} } = { {τI} over {ηV rSub { size 8{T} } } } } {}

Trong đó, τ=τP=LP2DP size 12{τ=τ rSub { size 8{P} } = { {L rSub { size 8{P} } rSup { size 8{2} } } over {D rSub { size 8{P} } } } } {}, là đời sống trung bình của lỗ trống;  = 2 đối với nối P-N là Si, =1 đối với nối P-N là Ge.

Thông thường, CD có trị số từ 2000pF đến 15000pF.

CÁC LOẠI DIODE THÔNG DỤNG

Diode cơ bản là một nối P-N. Thế nhưng, tùy theo mật độ chất tạp pha vào chất bán dẫn thuần ban đầu, tùy theo sự phân cực của diode và một số yếu tố khác nữa mà ta có nhiều loại diode khác nhau và tầm ứng dụng của chúng cũng khác nhau.

Diode chỉnh lưu:

Là diode thông dụng nhất, dùng để đổi điện xoay chiều – thường là điện thế 50Hz đến 60Hz sang điện thế một chiều. Diode này tùy loại có thể chịu đựng được dòng từ vài trăm mA đến loại công suất cao có thể chịu được đến vài trăm ampere. Diode chỉnh lưu chủ yếu là loại Si. Hai đặc tính kỹ thuật cơ bản của Diode chỉnh lưu là dòng thuận tối đa và điện áp ngược tối đa (Điện áp sụp đổ). Hai đặc tính này do nhà sản xuất cho biết.

Trước khi xem qua một số sơ đồ chỉnh lưu thông dụng, ta xem qua một số kiểu mẫu thường dùng của diode.

Kiểu mẫu một chiều của diode. Diode lý tưởng (Ideal diode)

Trong trường hợp này, người ta xem như điện thế ngang qua diode khi phân cực thuận bằng không và nội trở của nó không đáng kể. Khi phân cực nghịch, dòng rỉ cũng xem như không đáng kể.

Như vậy, diode lý tưởng được xem như một ngắt (switch): ngắt điện đóng mạch khi diode được phân cực thuận và ngắt điện hở mạch khi diode được phân cực nghịch.

Kiểu mẫu điện thế ngưỡng (Knee-Voltage model)

Trong kiểu mẫu này, điện thế ngang qua diode khi được phân cực thuận là một hằng số và được gọi là điện thế ngưỡng VK (khoảng 0,3V đối với diode Ge và 0,7 volt đối với diode Si).

Như vậy, khi phân cực thuận, diode tương đương với một diode lý tưởng nối tiếp với nguồn điện thế VK, khi phân cực nghịch cũng tương đương với một ngắt điện hở.

Kiểu mẫu diode với điện trở động:

Khi điện thế phân cực thuận vượt quá điện thế ngưỡng VK, dòng điện qua diode tăng nhanh trong lúc điện thế qua hai đầu diode VD cũng tăng (tuy chậm) chứ không phải là hằng số như kiểu mẫu trên. Để chính xác hơn, lúc này người ta phải chú ý đến độ giảm thế qua hai đầu điện trở động r0.

Thí dụ:

Từ đặc tuyến V-I của diode 1N917(Si), xác định điện trở động r0 và tìm điểm điều hành Q(ID và VD) khi nó được dùng trong mạch hình bên.

Giải:

Bước 1: dùng kiểu điện thế ngưỡng:

I ' D = V S V K R = 15 0,7 3K Ω = 4, 77 mA size 12{I' rSub { size 8{D} } = { {V rSub { size 8{S} } - V rSub { size 8{K} } } over {R} } = { {"15" - 0,7} over {3K %OMEGA } } =4,"77" ital "mA"} {}

Bước 2: với I’D =4,77mA, ta xác định được điểm Q’ (V’D=0,9V)

Bước 3: vẽ tiếp tuyến tại Q’ với đặc tuyến để tìm điện thế offset V0.

V0=0,74V

Bước 4: Xác định r0 từ công thức:

r 0 = ΔV D Δ DI D = 0,9 0, 74 4, 77 = 0, 16 4, 77 32 Ω size 12{r rSub { size 8{0} } = { {ΔV rSub { size 8{D} } } over {Δ ital "DI" rSub { size 8{D} } } } = { {0,9 - 0,"74"} over {4,"77"} } = { {0,"16"} over {4,"77"} } approx "32" %OMEGA } {}

Bước 5: Dùng kiểu mẫu với điện trở động r0.

I D = V S V 0 R + r 0 = 15 0, 74 3000 + 32 = 0, 00467 A size 12{I rSub { size 8{D} } = { {V rSub { size 8{S} } - V"" lSub { size 8{0} } } over {R+r rSub { size 8{0} } } } = { {"15" - 0,"74"} over {"3000"+"32"} } =0,"00467"A} {}

ID=4,67mA

Và VD=V0+r0ID=0,74+0,00467x32=0,89V

Chú ý:

Trong trường hợp diode được dùng với tín hiệu nhỏ, điện trở động r0 chính là điện trở động rd mà ta đã thấy ở phần trước cộng với điện trở của hai vùng bán dẫn P và N.

r0=rac=rp+rn+rd=rB+rd

với rd= 26mVIDmA size 12{ { {"26" ital "mV"} over {I rSub { size 8{D} } ital "mA"} } } {}

Ví dụ: Xem mạch dùng diode 1N917 với tín hiệu nhỏ VS(t)=50 Sint (mV).

Tìm điện thế VD(t) ngang qua diode, biết rằng điện trở rB của hai vùng bán dẫn P-N là 10.

Giải:

Theo ví dụ trước, với kiểu mẫu điện thế ngưỡng ta có VD=0,7V và ID=4,77mA.

Từ đó ta tìm được điện trở nối rd:

r d = 26 mV I D = 26 mV 4, 77 mA = 5, 45 Ω size 12{r rSub { size 8{d} } = { {"26" ital "mV"} over {I rSub { size 8{D} } } } = { {"26" ital "mV"} over {4,"77" ital "mA"} } =5,"45" %OMEGA } {}

rac=10 + 0,45=10,45

Mạch tương đương xoay chiều:

Điện thế đỉnh Vdm ngang qua diode là Vdm=racR+racVm=15,4515,45+3000.50 size 12{V rSub { size 8{ ital "dm"} } = { {r rSub { size 8{ ital "ac"} } } over {R+r rSub { size 8{ ital "ac"} } } } V rSub { size 8{m} } = { {"15","45"} over {"15","45"+"3000"} } "." "50"} {}

Vdm=0,256 Sint (mV).

Vậy điện thế tổng cộng ngang qua diode là:

VD(t) = 700mV + 0,256 Sin t (mV).

Kiểu mẫu tín hiệu rộng và hiệu ứng tần số.

Hình sau đây mô tả một diode được dùng với tín hiệu hình sin có biên độ lớn.

Khi diode được dùng với nguồn tín hiệu xoay chiều tín hiệu biên độ lớn, kiểu mẫu tín hiệu nhỏ không thể áp dụng được. vì vậy, người ta dùng kiểu mẫu một chiều tuyến tính.

Kết quả là ở nữa chu kỳ dương của tín hiệu, diode dẫn và xem như một ngắt điện đóng mạch. ở nửa chu kỳ âm kế tiếp, diode bị phân cực nghịch và có vai trò như một ngắt điện hở mạch. Tác dụng này của diode được gọi là chỉnh lưu nửa sóng (mạch chỉnh lưu sẽ được khảo sát kỹ ở giáo trình mạch điện tử).

Đáp ứng trên chỉ đúng khi tần số của nguồn xoay chiều VS(t) thấp-thí dụ như điện 50/60Hz, tức chu kỳ T=20ms/16,7ms-khi tần số của nguồn tín hiệu lên cao (chu kỳ ở hàng nano giây) thì ta phải quan tâm đến thời gian chuyển tiếp từ bán kỳ dương sang bán kỳ âm của tín hiệu.

Khi tần số của tín hiệu cao, điện thế ngõ ra ngoài bán kỳ dương (khi diode được phân cực thuận), ở bán kỳ âm của tín hiệu cũng qua được một phần và có dạng như hình vẽ. Chú ý là tần số của nguồn tín hiệu càng cao thì thành phần bán kỳ âm xuất hiện ở ngõ ra càng lớn.

Hiệu ứng này do điện dung khuếch tán CD của nối P-N khá lớn khi được phân cực thuận (CD có trị từ 2000pF đến 15000pF). Tác dụng của điện dung này làm cho diode không thể thay đổi tức thời từ trạng thái dẫn sang trạng thái ngưng dẫn mà phải mất đi một thời gian (thường được gọi là thời gian hồi phục, kiểu mẫu diode phải kể đến tác dụng của điện dung của nối.

rB: Điện trở hai vùng bán dẫn P và N

rd: Điện trở động của nối P-N khi phân cực thuận (rất nhỏ)

CD: Điện dung khuếch tán

rr: Điện trở động khi phân cực nghịch (rất lớn)

CT: Điện dung chuyển tiếp

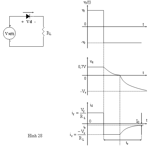
Để thấy rõ hơn thời gian hồi phục, ta xem đáp ứng của diode đối với hàm nấc (dạng sóng chữ nhật) được mô tả bằng hình vẽ sau.

Thông thường, giá trị của tr có thể thay đổi từ nhỏ hơn 1 nano giây đến xấp xĩ 1s. Hiệu ứng của tr trên diode chỉnh lưu (sóng sin) được diễn tả như hình sau. Người ta nhận thấy rằng, có thể bỏ qua thời gian hồi phục trên mạch chỉnh lưu khi tr<0,1T, với T là chu kỳ của sóng sin được chỉnh lưu.

Diode tách sóng.

Cũng làm nhiệm vụ như diode chỉnh lưu nhưng thường với tín hiệu có biên độ nhỏ và tần số cao. Diode tách sóng thường được chế tạo có dòng thuận nhỏ và có thể là Ge hay Si nhưng diode Ge được dùng nhiều hơn vì điện thế ngưỡng VK nhỏ.

Diode schottky:

Ta đã thấy ảnh hưởng của thời gian hồi phục (tức thời gian chuyển mạch) lên dạng sóng ngõ ra của mạch chỉnh lưu. Để rút ngắn thời gian hồi phục. Các hạt tải điện phải di chuyển nhanh, vùng hiếm phải hẹp. Ngoài ra, còn phải tạo điều kiện cho sự tái hợp giữa lỗ trống và điện tử dễ dàng và nhanh chóng hơn. Đó là nguyên tắc của diode schottky.

Mô hình sau đây cho biết cấu tạo căn bản của diode schottky.

Ta thấy trong diode schottky, thường người ta dùng nhôm để thay thế chất bán dẫn loại P và chất bán dẫn loại N là Si. Do nhôm là một kim loại nên rào điện thế trong diode schottky giảm nhỏ nên điện thế ngưỡng của diode schottky khoảng 0,2V đến 0,3V. Để ý là diode schottky có điện thế bảo hoà ngược lớn hơn diode Si và điện thế sụp đổ cũng nhỏ hơn diode Si.

Do thời gian hồi phục rất nhỏ ( đổi trạng thái nhanh) nên diode schottky được dùng rất phổ biến trong kỹ thuật số và điều khiển.

Diode ổn áp (diode Zener):

Như đã khảo sát ở phần trước, khi điện thế phân cực nghịch của diode lớn, những hạt tải điện sinh ra dưới tác dụng nhiệt bị điện trường mạnh trong vùng hiếm tăng vận tốc và phá vỡ các nối hoá trị trong chất bán dẫn. Cơ chế này cứ chồng chất vầ sau cùng ta có dòng điện ngược rất lớn. Ta nói diode đang ở trong vùng bị phá huỷ theo hiện tượng tuyết đổ và gây hư hỏng nối P-N.

Ta cũng có một loại phá huỷ khác do sự phá huỷ trực tiếp các nối hoá trị dưới tác dụng của điện trường. Sự phá huỷ này có tính hoàn nghịch, nghĩa là khi điện trường hết tác dụng thì các nối hoá trị được lập lại, ta gọi hiện tượng này là hiệu ứng Zener.

Hiệu ứng này được ứng dụng để chế tạo các diode Zener. Bằng cách thay đổi nồng độ chất pha, người ta có thể chế tạo được các diode Zener có điện thế Zener khoảng vài volt đến vài hàng trăm volt. Để ý là khi phân cực thuận, đặc tuyến của diode Zener giống hệt diode thường (diode chỉnh lưu). Đặc tuyến được dùng của diode Zener là khi phân cực nghịch ở vùng Zener, điện thế ngang qua diode gần như không thay đôi trong khi dòng điện qua nó biến thiên một khoảng rộng.

* Ảnh hưởng của nhiệt độ:

Khi nhiệt độ thay đổi, các hạt tải điện sinh ra cũng thay đổi theo:

  • Với các diode Zener có điện thế Zener VZ < 5V thì khi nhiệt độ tăng, điện thế Zener giảm.
  • Với các diode có điện thế Zener VZ>5V (còn được gọi là diode tuyết đổ-diode avalanche) lại có hệ số nhiệt dương (VZ tăng khi nhiệt độ tăng).
  • Với các diode Zener có VZ nằm xung quanh 5V gần như VZ không thay đổi theo nhiệt độ.

* Kiểu mẫu lý tưởng của diode Zener:

Trong kiểu mẫu lý tưởng, diode Zener chỉ dẫn điện khi điện thế phân cực nghịch lớn hay bằng điện thế VZ. Điện thế ngang qua diode Zener không thay đổi và bằng điện thế VZ­. Khi điện thế phân cực nghịch nhỏ hơn hay bằng điện thế VZ, diode Zener không dẫn điện (ID=0).

Do tính chất trên, diode zener thường được dùng để chế tạo điện thế chuẩn.

Thí dụ: mạch tao điện thế chuẩn 4,3V dùng diode zener 1N749 như sau:

Khi chưa mắc tải vào, thí dụ nguồn VS=15V, thì dòng qua zener là:

I = V S V Z R = 15 4,3 470 = 22 , 8 mA size 12{I= { {V rSub { size 8{S} } - V rSub { size 8{Z} } } over {R} } = { {"15" - 4,3} over {"470"} } ="22",8 ital "mA"} {}

* Kiểu mẫu của diode zener đối với điện trở động:

Thực tế, trong vùng zener, khi dòng điện qua diode tăng, điện thế qua zener cũng tăng chút ít chứ không phải cố định như kiểu mẫu lý tưởng.

Người ta định nghĩa điện trở động của diode là:

r = Z Z = V ZT V ZO I ZT size 12{r=Z rSub { size 8{Z} } = { {V rSub { size 8{ ital "ZT"} } - V rSub { size 8{ ital "ZO"} } } over {I rSub { size 8{ ital "ZT"} } } } } {}

Trong đó: VZO là điện thế nghịch bắt đầu dòng điện tăng.

VZT là điện thế ngang qua hai đầu diode ở dòng điện sử dụng IZT.

Diode biến dung: (Varicap – Varactor diode)

Phần trên ta đã thấy, sự phân bố điện tích dương và âm trong vùng hiếm thay đổi khi điện thế phân cực nghịch thay đổi, tạo ra giữa hai đầu diode một điện dung:

C T = ΔQ ΔV = ε A W d size 12{C rSub { size 8{T} } = lline { {ΔQ} over {ΔV} } rline =ε { {A} over {W rSub { size 8{d} } } } } {}

Điện dung chuyển tiếp CT tỉ lệ nghịch với độ rộng của vùng hiếm, tức tỉ lệ nghịch với điện thế phân cực.

Đặc tính trên được ứng dụng để chế tạo diode biến dung mà trị số điện dung sẽ thay đổi theo điện thế phân cực nghịch nên còn được gọi là VVC diode (voltage-variable capacitance diode). Điện dung này có thể thay đổi từ 5pF đến 100pF khi điện thế phân cực nghịch thay đổi từ 3 đến 25V.

Một ứng dụng của diode là dùng nó như một tụ điện thay đổi. Thí dụ như muốn thay đổi tần số cộng hưởng của một mạch, người ta thay đổi điện thế phân cực nghịch của một diode biến dung.

Diode hầm (Tunnel diode)

Được chế tạo lần đầu tiên vào năm 1958 bởi Leo-Esaki nên còn được gọi là diode Esaki. Đây là một loại diode đặc biệt được dùng khác với nhiều loại diode khác. Diode hầm có nồng độ pha chất ngoại lai lớn hơn diode thường rất nhiều (cả vùng P lẫn vùng N)

Đặc tuyến V-I có dạng như sau:

Khi phân cực nghịch, dòng điện tăng theo điện thế. Khi phân cực thuận, ở điện thế thấp, dòng điện tăng theo điện thế nhưng khi lên đến đỉnh A (VP IP), dòng điện lại tự động giảm trong khi điện thế tăng. Sự biến thiên nghịch này đến thung lũng B (VV IV). Sau đó, dòng điện tăng theo điện thế như diode thường có cùng chất bán dẫn cấu tạo. Đặc tính cụ thể của diode hầm tùy thuộc vào chất bán dẫn cấu tạo Ge, Si, GaAs (galium Asenic), GaSb (galium Atimonic)… Vùng AB là vùng điện trở âm (thay đổi từ khoảng 50 đến 500 mV). Diode được dùng trong vùng điện trở âm này. Vì tạp chất cao nên vùng hiếm của diode hầm quá hẹp (thường khoảng 1/100 lần độ rộng vùng hiếm của diode thường), nên các hạt tải điện có thể xuyên qua mối nối theo hiện tượng chui hầm nên được gọi là diode hầm.

Tỉ số Ip/Iv rất quan trọng trong ứng dụng. Tỉ số này khoảng 10:1 đối với Ge và 20:1 đối với GaAs.

Mạch tương đương của diode hầm trong vùng điện trở âm như sau:

Ls: Biểu thị điện cảm của diode, có trị số từ 1nH đến 12nH.

RD: Điện trở chung của vùng P và N.

CD: Điện dung khuếch tán của vùng hiếm.

Thí dụ, ở diode hầm Ge 1N2939: Ls=6nH, CD=5pF,Rd=-152, RD=1,5

Diode có vùng hiếm hẹp nên thời gian hồi phục nhỏ, dùng tốt ở tần số cao. Nhược điểm của diode hầm là vùng điện trở âm phi tuyến, vùng điện trở âm lại ở điện thế thấp nên khó dùng với điện thế cao, nồng độ chất pha cao nên muốn giảm nhỏ phải chế tạo mỏng manh. Do đó, diode hầm dần dần bị diode schottky thay thế.

Ứng dụng thông dụng của diode hầm là làm mạch dao động ở tần số cao.

Bài tập cuối chương

  1. Dùng kiểu mẫu lý tưởng và điện thế ngưỡng của diode để tính dòng điện I1, I2, ID2 trong mạch điện sau:
  1. I2Tính dòng điện I1 và VO trong mạch sau (dùng kiểu mẫu lý tưởng và điện thế ngưỡng của diode)
  1. Tính IZ, VO trong mạch điện sau khi R2 = 50 và khi R2 = 200. Cho biết Zener sử dụng có VZ = 6V.
  1. Tính I, VO trong mạch sau, cho biết Zener có VZ = 8V.