Thiết kế Hệ thống nhúng

Quy trình phát triển của một hệ thống nhúng

Quá trình phát triển của một hệ thống nhúng được thực hiện theo chu trình sau:

  • (1) Problem specification
  • (2) Tool/chip selection
  • (3) Software plan
  • (4) Device plan
  • (5) Code/debug
  • (6) Test
  • (7) Integrate

Mô hình hóa sự kiện và tác vụ

Phương pháp mô hình Petrinet

Năm 1962 Carl Adam Petri đã công bố phương pháp mô hình hình hoạ tác vụ hay quá trình theo sự phụ thuộc nhân quả đã được phổ cập rộng rãi và được biết tới như ngày này với tên gọi là mạng Petri.

Mạng Petri được sử dụng phổ biến để biểu diễn mô hình và phân tích các hệ thống có sự cạnh tranh trong quá trình hoạt động. Một hệ thống có thể hiểu là một tổ hợp của nhiều thành phần và mỗi thành phần thì đều có các thuộc tính. Các thuộc tính đó có thể thay đổi và được đặc trưng bởi các biến trạng thái. Một chuỗi các trạng thái sẽ mô tả quá trình động của một hệ thống.

Mạng Petri thực sự là một giải pháp mô tả hệ thống động với các sự kiện rời rạc tác động làm thay đổi trạng thái của các đối tượng trong hệ thống theo từng điều kiện cụ thể trạng thái của hệ thống.

Mạng Petri được thiết lập dựa trên 3 thành phần chính: (1) Các điều kiện, (2) các sự kiện, và (3) quan hệ luồng. Các điều kiện có thể là thoả mãn hoặc không thoả mãn. Các sự kiện là có thể xảy ra hoặc không. Và quan hệ luồng mô tả điều kiện của hệ trước khi sự kiện xảy ra.

Các điều kiện đòi hỏi phải thoả mãn để một sự kiện xảy ra hoặc chuyển trạng thái thực hiện thì được gọi là điều kiện trước (precondition). Các điều kiện mà được thoả mãn khi một sự kiện nào đó xảy ra thì được gọi là điều kiện sau (postcondition).

Quy ước biểu diễn mô hình Petrinet

Ví dụ về mô hình mạng Petri

Trong qui ước biểu diễn hình hoạ thì mạng Petri sử dụng các vòng tròn để biểu diễn các điều kiện, các hộp để biểu diễn các sự kiện, và mũi tên biểu diễn quan hệ luồng. Một ví dụ minh hoạ về mạng Petri được mô tả trong Hình 13.1, trong đó:

  • P = {p1 , p2 ,..., pnp } là tập gồm np vị trí được biểu diễn trong mô hình (được mô tả bởi các vòng tròn).
  • T = {t1 , t2 ,..., tnt } là tập gồm nt chuyển đổi trong tập chuyển đổi biểu diễn trong mô hình (được mô tả bởi các hình chữ nhật).
  • I biểu diễn quan hệ đi vào chuyển đổi và được ký hiệu bởi đường mũi tên theo hướng từ các vị trí tới các chuyển đổi.
  • O biểu diễn quan hệ đi ra khỏi chuyển đổi và được ký hiệu bởi các đường mũi tên theo hướng từ các chuyển đổi tới các vị trí.
  • M = {m1 , m2 ,...mnp } là dấu trạng thái của các chuyển đổi trong hệ thống. Các giá trị mi là số các thẻ bài (được ký hiệu như các chấm tròn đen) chứa bên trong các vị trí pi trong tập dấu M .

Hệ thống động có thể được mô tả bởi mạng Petri nhờ sự chuyển dịch các thẻ bài trong các vị trí của hệ thống mô hình và tuân thủ theo luật sau:

  • Một chuyển đổi được phép thực thi nếu tất cả các vị trí đi vào chuyển đổi đó chứa ít nhất một thẻ bài.
  • Khi một chuyển đổi đã được thực thi xong (hoàn thành) thì một thẻ bài sẽ bị loại ra khỏi vị trí đi vào chuyển đổi đó đồng thời bổ sung thêm một thẻ bài vào các vị trí đầu ra tương ứng của chuyển đổi đó.

Các trạng thái động của hệ thống được mô tả bởi tập R(M) đánh dấu bởi các dấu trong tập M. Trong ví dụ trên có 5 phần tử dấu trong tập R lần lượt là M 1 , M 2 , M 3 , M 4 , M 5. Tương ứng lần lượt như sau:

  • M 1 = (1, 0, 0, 0, 0)
  • M 2 = (0,1,1, 0, 0)
  • M 3 = (0,1, 0, 0,1)
  • M 4 = (0, 0, 0,1,1)
  • M 5 = (0, 0,1,1, 0)

Mô tả các tình huống hoạt động cơ bản với Petrinet

  • Song song và đồng bộ:

Trong mô hình PN mô tả như trong Hình 9.2 (a), các chuyển đổi t1 và t2 được phép thực hiện đồng thời; hoạt động của chúng không ảnh hưởng đến nhau. Các hoạt động được mô hình bởi hai chuyển đổi thực hiện song song. Trong hệ thống dự phòng với độ tin cậy cao, mô hình này được sử dụng để biểu diễn hai thành phần C1 và C2 song song để đảm bảo hoạt động dự phòng; trong trường hợp này các vị trí p1 và p3 biểu diễn điều kiện làm việc, các vị trí p2 và p4 biểu diễn điều kiện lỗi, t1 và t2 là các sự kiện lỗi trong các tác vụ C1 và C2 một cách tương ứng.

Mô hình Petrinet 2 hoạt động song song: Độc lập (a) và đồng bộ (b)

Trong hoạt động song song, các tác vụ hoàn toàn độc lập, tuy nhiên nếu các sự kiện đó cần phải kết thúc và là điều kiện để cho một chuyển đổi khác thì hoạt động đồng bộ có thể được thực hiện nhờ bổ sung một chuyển đổi t3 như mô tả trong Hình 9.2 (b). Khi đó chuyển đổi t3 cần thẻ bài đồng thời của cả p2 và p4.

  • Chia sẻ đồng bộ:

Một yếu tố đặc trưng trong hoạt động của hệ thống phân tán là thường phải chia sẻ một số tài nguyên hữu hạn. Sự thiếu thốn về tài nguyên làm hạn chế hoạt động của hệ thống trong quá trình xử lý thậm chí làm tắc nghẽn hệ thống. Việc mô hình và phân tích các hệ thống có hiện tượng tắc nghẽn là một tác vụ khó khăn trong hầu hết các quá trình mô hình có thể gặp phải.

Hoạt động của bộ đệm với dung lượng hữu hạn

Để minh hoạ tình huống này, biểu diễn hoạt động của bộ đệm với dung lượng hữu hạn được mô tả bởi PN trong Hình 9.3. Vị trí p3 mô hình số các vị trí bộ đệm còn trống và vị trí p2 mô hình số vị trí đã được điền đầy; chú ý rằng tổng các thẻ bài chứa trong các vị trí p2 và p3 luôn là hằng số (trong ví dụ này là 3). Chuyển đổi t2 mô hình quá trình điền đầy một vị trí bộ đệm và hoàn thành nếu có ít nhất một vị trí bộ đệm còn trống cùng với thẻ bài chứa trong vị trí p1 và p3. Chuyển đổi t3 được phép thực hiện nếu có ít nhất một vị trí bộ đệm đã được điền đầy. Khi hoàn thành chuyển đổi t3, một thẻ bài sẽ được chuyển từ vị trí p2 sang vị trí p3.

  • Tuần tự:

Hoạt động tuần tự sẽ được mô tả và minh hoạ bởi hoạt động của bộ tạo và bộ sử dụng thông qua một bộ đệm. Bộ tạo sẽ sinh ra các đối tượng để đưa vào trong một bộ đệm và sẽ được lấy ra bởi bộ sử dụng. Quá trình sử dụng sẽ phải được thực hiện một cách tuần tự theo quá trình tạo ra đối tượng. Mô hình cho hoạt động này được diễn tả bởi PN như trong Hình 9.4 (a). Thẻ bài chứa trong vị trí p1 có nghĩa là bộ tạo đã sẵn sàng thực hiện. Khi các chuyển đổi t1 và t2 hoàn thành thì một đối tượng được tạo ra (một thẻ bài tương ứng cũng sẽ được chuyển vào trong bộ đệm mô hình bởi vị trí p5) và bộ tạo lại sẵn sàng trở lại. Nếu bộ sử dụng có nhu cầu tiêu thụ (được mô hình bởi thẻ bài chứa trong vị trí p3 ) và đang có ít nhất một đối tượng trong bộ đệm thì một thẻ bài chứa trong vị trí p5 sẽ được lấy đi và chuyển đổi t3 sẽ hoàn thành.

Hoạt động tạo và sử dụng với bộ đệmvô hạn (a) và hữu hạn(b)

Trong cách mô tả trong Hình 9.4 (a) thì việc tạo và sử dụng được thực hiện thông qua một bộ đệm với giả thiết là có dung lượng vô hạn. Trong thực tế thì các bộ đệm là hữu hạn, để mô tả hoạt động với bộ đệm loại này Hình 9.4 (b) được sử dụng. Vị trí p6 mô hình các vị trí bộ đệm còn trống và vị trí p5 mô hình các vị trí bộ đệm đã được điền đầy. Tổng số lượng các thẻ bài chứa trong các vị trí p5 và p6 phải luôn là hằng số. Nếu một thẻ bài được gán cho vị trí p5 trong dấu khởi tạo thì bộ tạo sẽ không thể tạo thêm đối tượng chừng nào bộ sử dụng vẫn chưa tiêu thụ đối tượng trong bộ đệm.

Loại trừ xung đột

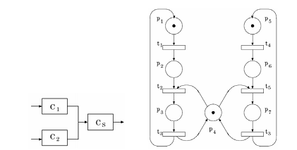
Hoạt động loại trừ của hai tác vụ song song chia sẻ tài nguyên

Hai tác vụ C1 và C2 được phép làm việc song song và cùng chia sẻ tài nguyên CS, nhưng không được truy nhập vào tài nguyên đồng thời. Giản đồ PN cho hoạt động này được mô tả như trong Hình 10.5. Các vị trí p1 và p5 biểu diễn các tác vụ C1 và C2 làm việc độc lập; vị trí p2 và p6 biểu diễn các yêu cầu của các tác vụ C1 và C2 một cách tương ứng khi muốn truy nhập vào tài nguyên chia sẻ CS; p3 và p7 biểu diễn CS đang bị chiếm dụng bởi các tác vụ C1 và C2 một cách tương ứng. Vị trí p4 mô tả quyết định xem tác vụ nào có thể truy nhập tài nguyên Cs và tránh các vị trí p3 và p7 bị đánh dấu đồng thời. Thực tế khi p2 và p6 được đánh dấu thì các chuyển đổi t2 và t5 xung đột. Việc hoàn thành một trong hai tác vụ sẽ khoá/cấm lẫn nhau. Việc hoàn thành chuyển đổi t3 hoặc t6 sẽ mô hình việc giải phóng nguồn tài nguyên chung (chuyển thẻ bài trở lại vị trí p4) và trở về điều kiện làm việc bình thường.

Ngôn ngữ mô tả phần cứng (VHDL)

VHDL (Very High Speed Integrated Circuit Hardware Description Lanuage) là một ngôn ngữ chung để mô tả các thiết kế phần cứng ở mức phần tử logic cơ bản cấu thành nên hệ thống và đã được phát triển bởi tổ chức quốc phòng Mỹ. Mục đích chính là để thuận tiện cho việc trao đổi dữ liệu thiết kế phần cứng theo một định dạng chuẩn mà mọi người có thể hiểu và thông dịch, tạo điều kiện thuận lợi trong việc phối hợp hay hợp tác trong các dự án thiết kế. Đặc biệt nó rất thuận tiện trong việc chuyển đổi hay tổng hợp biên dịch thành một dạng ngôn ngữ thực thi phần cứng thực. Điều này rất khó thực hiện bằng các ngôn ngữ bậc cao như C nhưng với VHDL điều này chính là ưu điểm nổi bật và là thế mạnh trong việc mô hình hoá hệ thống, mô tả một cách chi tiết các phần tử cứng cấu thành tham gia trong hệ thống.

VHDL là một chuẩn IEEE (Std - 1076) đã được sự hỗ trợ bởi rất nhiều nhà cung cấp phát triển phần cứng. Ứng dụng một cách chuyên nghiệp ngôn ngữ này là phục vụ cho việc mô tả các mạch ASICs phức hợp, chế tạo thực thi các mạch FPGA...

Ngôn ngữ VHDL có thể đọc hiểu khá dễ dàng với cấu trúc cú pháp rõ ràng gần giống như ngôn ngữ Visual Basic và Pascal. Nó có thể phát huy được thế mạnh về cú pháp để định nghĩa xây dựng kiểu dữ liệu mới và hỗ trợ cho việc lập trình theo nhóm. Với xu thế hiện nay các nhóm phát triển có thể thực thi với điều kiện cách xa nhau về khoảng cách địa lý, vì vậy việc phối hợp và thiết kế theo nhóm là rất cần thiết.