TRANSISTOR Lưỡng cực

Tổng quan

Bài này sẽ giới thiệu về tranzito lưỡng cực (Bipolar Junction Transistor – BJT). Đây là linh kiện bán dẫn quan trọng có 2 lớp tiếp xúc P-N và 3 chân điện cực. Trong bài sẽ trình bày về nguyên lý hoạt động của tranzito lưỡng cực ở 3 chế độ cấp điện phân cực cho nó là chế độ tích cực, chế độ ngắt và chế độ bão hòa. Bài này trình bày về các cách mắc cơ bản của tranzito lưỡng cực trong các sơ đồ mạch khuếch đại là cách mắc cực gốc chung, cực phát chung và cực góp chung, đặc điểm của từng cách mắc. Trong bài này còn đề cập đến các phương pháp phân cực cho tranzito như phân cực bằng dòng cực gốc, phân cực bằng phân áp và phân cực bằng hối tiếp. Đồng thời trong chương này cũng trình bày về các sơ đồ tương đương của tranzito trong chế độ khuếch đại tín hiệu nhỏ và trình bày về chế độ chuyển mạch của tranzito.

Cơ sở nguyên lý

Chế độ hoạt động của transistor npn và pnp

Tranzito lưỡng cực gồm có hai tiếp xúc P-N được tạo nên bởi 3 miền bán dẫn loại P và N xếp xen kẽ nhau. Nếu miền bán dẫn ở giữa là bán dẫn loại N thì ta có tranzito lưỡng cực loại P-N-P. Nếu miền bán dẫn ở giữa là bán dẫn loại P thì ta có tranzito lưỡng cực loại N-P-N.

a. Tranzito lưỡng cực loại P-N-P (hay tranzito thuận) cấu tạo và ký hiệu trên sơ đồ mạch; b. Tranzito N-P-N (hay tranzito ngược) cấu tạo và ký hiệu.

Tranzito có 3 chân cực là:

- Cực Phát ký hiệu là chữ E (Emitter) là nguồn phát ra các hạt tải điện trong tranzito.

- Cực Gốc ký hiệu là chữ B (Base) là cực điều khiển dòng điện..

- Cực Góp ký hiệu là chữ C (Collector) có nhiệm vụ thu nhận tất cả các hạt dẫn từ phần phát E qua phần gốc B tới.

- Hai tiếp xúc P-N là tiếp xúc phát-gốc ký hiệu là TE (gọi tắt là tiếp xúc phát), và tiếp xúc góp-gốc ký hiệu là TC (gọi tắt là tiếp xúc góp).

Nguyên lý làm việc của tranzito

Khi chưa cung cấp điện áp ngoài lên các chân cực của tranzito thì hai tiếp xúc phát TE và góp TC đều ở trạng thái cân bằng và dòng điện tổng chạy qua các chân cực của tranzito bằng 0.

Muốn cho tranzito làm việc ta phải cung cấp cho các chân cực của nó một điện áp một chiều thích hợp. Có ba chế độ làm việc của tranzito là: chế độ tích cực (hay chế độ khuếch đại), chế độ ngắt và chế độ dẫn bão hòa. Cả hai loại tranzito P-N-P và N-P-N đều có nguyên lý làm việc giống nhau, chỉ có chiều nguồn điện cung cấp vào các chân cực là ngược dấu nhau.

+ Chế độ ngắt: Cung cấp nguồn điện sao cho hai tiếp xúc P-N đều phân cực ngược. Tranzito có điện trở rất lớn và chỉ có một dòng điện rất nhỏ chạy qua nên tranzito coi như không dẫn điện.

+ Chế độ dẫn bão hòa: Cung cấp nguồn điện sao cho cả hai tiếp xúc P-N đều phân cực thuận. Tranzito có điện trở rất nhỏ và dòng điện qua nó là khá lớn.

Ở chế độ ngắt và chế độ dẫn bão hòa, tranzito làm việc như một phần tử tuyến tính trong mạch điện. Ở chế độ này tranzito như một khóa điện tử và nó được sử dụng trong các mạch xung, các mạch số.

+ Chế độ tích cực: Ta cấp nguồn điện sao cho tiếp xúc phát TE phân cực thuận, và tiếp xúc góp TC phân cực ngược. Ở chế độ tích cực, tranzito làm việc với quá trình biến đổi tín hiệu dòng điện, điện áp, hay công suất và nó có khả năng tạo dao động, khuếch đại tín hiệu,... Đây là chế độ thông dụng của tranzito trong các mạch điện tử tương tự.

So sánh giữa Transistor loại Ge và Si

Đặc điểm của các đường đặc tuyến

­ Họ đặc tuyến vào:

Đặc tuyến vào mô tả mối quan hệ giữa điện áp vào và dòng điện vào như sau:

UEB = f1(IE) khi UCB = const.

Xét trường hợp đối với tranzito lưỡng cực Gecmani loại P-N-P. Khi cực góp hở thì đặc tuyến vào chính là đặc tuyến Vôn-Ampe của tiếp xúc P-N phân cực thuận nên ta có:

IE = I0(e UEB/VT – 1)

Ta có đường đặc tuyến vào mô tả trong hình 6.2.

Họ đặc tuyến vào của tranzito gecmani loại P-N-P

Khi UCB ≤ 0, đặc tuyến xê dịch rất ít chứng tỏ điện áp trên cực góp ít ảnh hưởng đến dòng điện qua tiếp xúc phát.

­ Họ đặc tuyến ra:

Đặc tuyến ra biểu thị mối quan hệ giữa dòng điện trên mạch cực góp với điện áp trên mạch cực góp. Ta có mối quan hệ sau:

IC = f2(UCB) khi IE = cont.

Biểu thức tính dòng điện trên cực góp IC như sau:

IC = IE + ICBo

Họ đặc tuyến ra của tranzito gecmani loại P-N-P

Thiết lập và ổn định điểm làm việc cho transistor

Xác định điện trở Colector (RC)

Muốn tranzito làm việc như một phần tử tích cực thì các phần tử của tranzito phải thảo mãn điều kiện thích hợp. những tham số này của tranzito như ở mục trước đã biết, phụ thuộc rất nhiều vào điện áp phân cực các chuyển tiếp colectơ và emitơ. Nói một cách khác các giá trị tham số phụ thuộc vào điểm công tác của tranzito. Một cách tổng quát, dù tranzito được mắc mạch theo kiểu nào, muốn nó làm việc ở chế độ khuyếch đại cần có các điều kiện sau:

- Chuyển tiếp emitơ – bazơ luôn phân cực thuận.

- Chuyển tiếp bazơ – colectơ luôn phân cực ngược.

Có thể minh họa điều này qua ví dụ xet tranzito, loại pnp (h.2.33). Nếu gọi UE, UB, UC lần lượt là điện thế của emitơ, bazơ, colectơ, căn cứ vào các điều kiện phân cực kể trên thì giữa các điện thế này phải thảo mãn điều kiện:

UE > UB > UC

Hãy xết điều kiện phân cực cho từng loại mạch.

-Từ mạch chung bazơ với chiều mũi tên là hướng dương của điện áp và dòng điện, có thể xác định được cực tính của điện áp và dòng điện các cực khi tranzito mắc CB như sau:

UEB = UE – UB > 0 IE>0

UCB = UC – UB> 0 IC<0

Căn cứ vào điều kiện điện áp UCB âm, dòng IC cũng âm có nghĩa là hướng thực tế của điện áp và dòng điện này ngược với hướng mũi tên.

- Từ mạch chung emitơ, lý luận tương tự như trên, có thể xác định được cực tính của điện áp và dòng điện các cực như sau:

UBE = UB – UE > 0 IB<0

UCE = UC – UE> 0 IC<0

- Với mạch chung colectơ, căn cứ vào chiều qui định trên sơ đồ và điều kiện có thể viết:

UB – UC > 0 IB<0

UCE= UC – UB< 0 IE<0

Đối với tranzito npnđiều kiện phân cực để nó làm việc ở chế độ khuyếch đại là:

UE<UB<UC

Từ bất đẳnh thức trên có thể thấy rằng hướng dòng điện và điện áp thực tế trong tranzito pnp.

Phân cực cho transistor

Phân cực bằng dòng cố định

Sơ đồ mạch điện như hình dưới. Trong sơ đồ dùng tranzito loại N-P-N nên có:

Mạch phân cực cố định

- Điện trở RB, gọi là điện trở định thiên, được đấu từ dương nguồn EC về cực gốc để phân cực thuận cho tiếp xúc phát - gốc.

- Điện trở RC, gọi là tải, có nhiệm vụ dẫn điện áp từ dương nguồn EC về cực góp sao cho tiếp xúc góp - gốc phân cực ngược.

Dòng điện IC chạy từ dương nguồn EC qua RC về âm nguồn EC. Dòng điện IB chạy từ dương nguồn EC qua RB về âm nguồn EC.

Trên đường tải dc ta chọn điểm làm việc thích hợp với điều kiện tín hiệu đầu vào có giá trị dòng điện cực gốc không vượt quá giá trị dòng điện I được tính theo công thức sau:

IB = (EC – UBE)/RB

Theo công thức trên, có nguồn điện ECC là cố định, điện áp UBE chọn bằng 0,2V cho tranzito gecmani và 0,6V cho tranzito silic nên dòng IB là cố định. Trong trường hợp muốn thay đổi dòng điện IB, tức là thay đổi điểm làm việc tĩnh Q thì ta thay đổi trị số điện trở RB.

Vì dòng IB đã chọn là một hằng số nên sơ đồ mạch ở trên (hình 6.4) được gọi là mạch phân cực kiểu cố định hay mạch phân cực nhờ dòng cực gốc. Dòng IB được gọi là dòng điện định thiên.

Độ ổn định của mạch định thiên.

Khi tranzito hoạt động, các tham số của mạch sẽ thay đổi do nhiều nguyên nhân, đặc biệt là do nhiệt độ môi trường thay đổi. Vì vậy, việc ổn định điểm làm việc Q đã chọn là rất cần thiết.

Ta giả thiết rằng tranzito trong hình 6.4 được thay bằng một tranzito khác cùng loại nhưng có hệ số khuếch đại β lớn hơn như chỉ ra trong hình, và vì IB giữ không đổi tại IB2 bằng mạch phân cực bên ngoài, sẽ dẫn đến việc điểm làm việc Q1 phải di chuyển đến Q2.

Điểm làm việc mới này có thể không thỏa mãn hoàn toàn. Đặc biệt nó có thể làm cho tranzito chuyển sang chế độ bão hòa. Lúc này chúng ta phải thay đổi dòng điện IB để đảm bảo chế độ làm việc cần thiết cho tranzito.

Ổn định nhiệt cho tranzito:

Vấn đề quan trọng thứ hai gây ảnh hưởng đến sự phân cực của tranzito là sự thay đổi nhiệt độ. Như ta đã biết dòng điện ngược bão hòa ICBo phụ thuộc nhiều vào nhiệt độ, điều này có thể gây khó khăn cho việc sử dụng tranzito. Ngay cả khi điểm làm việc tĩnh đã được xác định ở vùng chế độ tích cực thì do ảnh hưởng của nhiệt độ nó vẫn có thể chuyển sang chế độ bão hòa. Trong hình 6.5 chỉ ra họ đặc tuyến ra của tranzito 2N708 tại nhiệt độ +250C và +1000C. Ta thấy rõ rằng hầu như nó làm việc ở chế độ bão hòa tại nhiệt độ +1000C mặc dù nó đã được phân cực ở giữa vùng chế độ tích cực tại +250C.

Họ đặc tuyến ra ở t0 = +250C (a) và +1000C (b) của tranzito loại N-P-N 2N708

Phân cực bằng cầu phân áp

Sơ đồ mạch cho trên hình:

Sơ đồ mạch định thiên phân áp

Trong mạch, hai điện trở R1 và R2 nối tiếp nhau và đấu trực tiếp giữa hai cực của nguồn cung cấp EC sẽ tạo nên mạch phân áp, dòng điện phân áp IP. áp chạy qua R1 và R2 không phụ thuộc vào sự biến đổi theo nhiệt độ của các dòng điện và điện áp trên các chân cực của tranzito. Do đó, sụt áp do dòng phân áp tạo ra trên R2 cũng không phụ thuộc vào hoạt động của tranzito.

Điện áp trên cực gốc chính là sụt áp trên điện trở R2 do dòng điện phân áp tạo nên, vậy ta có:

UB = IP.áp R2

UB = EC.R2/(R1+R2)

Nếu ta thay sơ đồ mạch phân cực ở hình 6.6 bằng sơ đồ mạch phân cực dùng hai nguồn cung cấp một chiều là UB cho mạch cực gốc và EC cho mạch cực góp như ở hình 6.7 thì điện trở RB là điện trở tương đương của hai điện trở R1 và R2 mắc song song, ta có:

Mạch thay thế tương đương với mạch định thiên phân áp

Nếu xét UB và UBE không phụ thuộc vào dòng điện IC, ta có thể tính đạo hàm công thức (4.31) theo IC để có:

Phân cực bằng dòng phản hồi

Trong sơ đồ, điện trở RB được gọi là điện trở định thiên hoặc điện trở hồi tiếp. Nó dẫn một phần điện áp từ mạch ra về mạch vào để phân cực cho tiếp xúc phát TE, và điện áp phân cực là: UBE = UCE - IB RB .

a- Sơ đồ mạch định thiên hồi tiếp âm điện áp b- Phương pháp hạn chế hồi tiếp thành phần tín hiệu xoay chiều

Các phương pháp mắc transistor

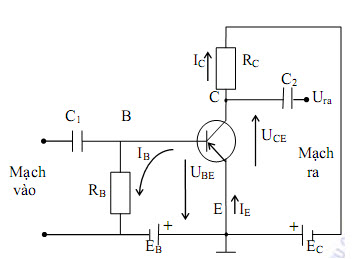
Emitter chung (EC)

Trong sơ đồ mạch gồm có các phần tử sau:

+/ EE , EC - Nguồn điện cung cấp một chiều cho tranzito loại P-N-P.

+/ RB - Điện trở định thiên

+/ RC - điện trở tải

+/ Tụ điện C1 và C2 là tụ liên lạc.

Các cấu kiện này có nhiệm vụ trong mạch điện tương tự như ở sơ đồ mắc cực gốc chung.

Như vậy, tín hiệu đưa vào giữa cực gốc và cực phát, tín hiệu được lấy ra từ giữa cực góp và cực phát. Do đó, cực phát là chân cực chung của mạch vào và mạch ra và ta có sơ đồ mắc cực phát chung. Chiều của các thành phần dòng điện và điện áp trên các chân cực cuả tranzito được mô tả ở hình 6.9.

Trong sơ đồ mắc phát chung có dòng vào là IB, dòng ra là IC, điện áp vào là UBE, điện áp ra là UCE.

Sơ đồ mạch cực E chung

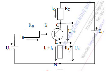
Colector chung (CC)

Sơ đồ mạch cực E chung

Mạch chung colectơ có dạng như hình 6.10, cực colectơ dung chung cho đầu vào và đầu ra.

Để đo điện áp vào, dòng vào, dòng ra qua đó xác các đặc tuyến tĩnh cơ bản của mạch CC dung các vôn kế và miliampe kế được mắc như hình 6.9.

Đặc tuyến vào của mạch chung colectơ (CC) IB= f(UCB) khi điện áp ra UCE không đổi có dạng như hình 2.31 nó có dạng khác hẳn so với các đặc tuyến vào của hai cách mắc EC và BC xét trước đây. Đó là vì trong kiểu mắc mạch này điện áp vào UCB phụ thuộc rất nhiều vào điện áp ra UCE (khi làm việc ở chế độ khuyếch đại điện áp UCB đối với tranzito silic luôn giữ khoảng 0.7V, còn tranzito Gecmani vào khoảng 0.3V trong khi đó điện áp UCE biến đổi trong khoảng rộng ). Ví dụ trên hình 2.31 hãy xét trường hợp UEC = 2V tại IB = 100mA UCB = UCE –UBE = 2V – 0.7 V =1,3V

Base chung (BC)

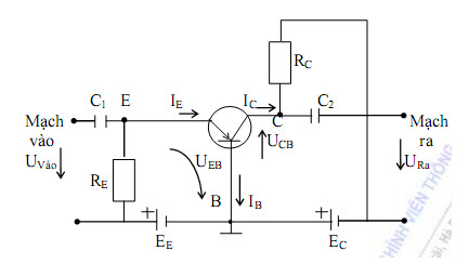
Sơ đồ mạch mắc cực gốc chung mô tả trong hình 4-10. Trong sơ đồ mạch có:

+ EE , EC là nguồn cung cấp một chiều cho tranzito loại P-N-P trong mạch.

+ RE - điện trở định thiên cho tranzito. RE có nhiệm vụ làm sụt bớt một phần điện áp nguồn EE để đảm bảo cho tiếp xúc phát được phân cực thuận với điện áp phân cực UEB ≈ 0,6 V cho tranzito Silic, và UEB ≈ 0,2V cho tranzito Gecmani. Đồng thời tín hiệu vào sẽ hạ trên RE để đưa vào tranzito.

+ RC - điện trở gánh có nhiệm vụ tạo sụt áp thành phần dòng xoay chiều của tín hiệu để đưa ra mạch sau và đưa điện áp từ âm nguồn EC lên cực góp đảm bảo cho tiếp xúc góp được phân cực ngược.

+ Tụ điện C1 , C2 gọi là tụ liên lạc có nhiệm vụ dẫn tín hiệu vào mạch và dẫn tín hiệu ra mạch sau.

Sơ đồ mắc gốc chung cho tranzito loại P-N-P

Cực gốc B của tranzito trong sơ đồ được nối đất. Như vậy, tín hiệu đưa vào giữa cực phát và cực gốc. Tín hiệu lấy ra giữa cực góp và cực gốc nên cực gốc B là chân cực chung của mạch vào và mạch ra. - Ta gọi là sơ đồ mắc cực gốc chung. Trong mạch có các thành phần dòng điện và điện áp sau:

IE gọi là dòng điện trên mạch vào.

IC gọi là dòng điện trên mạch ra.

UEB gọi là điện áp trên mạch vào

UCB gọi là điện áp trên mạch ra

Mối quan hệ giữa các dòng điện và điện áp trên các chân cực được mô tả thông qua các họ đặc tuyến tĩnh. Có hai họ đặc tuyến chính là :

Họ đặc tuyến vào: UEB = f1(UCB, IE)

Họ đặc tuyến ra: IC = f2 (UCB, IE)