CÁC CẤP BỘ NHỚ

CÁC CẤP BỘ NHỚ

Mục đích: Chương này giới thiệu chức năng và nguyên lý hoạt động của các cấp bộ nhớ máy tính: bộ nhớ cache: nguyên lý vận hành, phân loại các mức, đánh giá hiệu quả hoạt động; và nguyên lý vận hành của bộ nhớ ảo.

Yêu cầu: Sinh viên phải hiểu được các cấp bộ nhớ và cách thức vận hành của các loại bộ nhớ được giới thiệu để có thể đánh giá được hiệu năng hoạt động của các loại bộ nhớ.

CÁC LOẠI BỘ NHỚ

Bộ nhớ chứa chương trình, nghĩa là chứa lệnh và số liệu. Người ta phân biệt các loại bộ nhớ: Bộ nhớ trong (RAM-Bộ nhớ vào ra ngẫu nhiên), được chế tạo bằng chất bán dẫn; bộ nhớ chỉ đọc (ROM) cũng là loại bộ nhớ chỉ đọc và bộ nhớ ngoài bao gồm: đĩa cứng, đĩa mềm, băng từ, trống từ, các loại đĩa quang, các loại thẻ nhớ,...

Bộ nhớ RAM có đặc tính là các ô nhớ có thể được đọc hoặc viết vào trong khoảng thời gian bằng nhau cho dù chúng ở bất kỳ vị trí nào trong bộ nhớ. Mỗi ô nhớ có một địa chỉ, thông thường, mỗi ô nhớ là một byte (8 bit), nhưng hệ thống có thể đọc ra hay viết vào nhiều byte (2,4, hay 8 byte). Bộ nhớ trong (RAM) được đặc trưng bằng dung lượng và tổ chức của nó (số ô nhớ và số bit cho mỗi ô nhớ), thời gian thâm nhập (thời gian từ lúc đua ra địa chỉ ô nhớ đến lúc đọc được nội dung ô nhớ đó) và chu kỳ bộ nhớ (thời gian giữa hai lần liên tiếp thâm nhập bộ nhớ).

Hình IV.1: Vận hành của bộ nhớ RAM

(Wi, Wj, R/W là các tín hiệu điều khiển)

Tuỳ theo công nghệ chế tạo, người ta phân biệt RAM tĩnh (SRAM: Static RAM) và RAM động (Dynamic RAM).

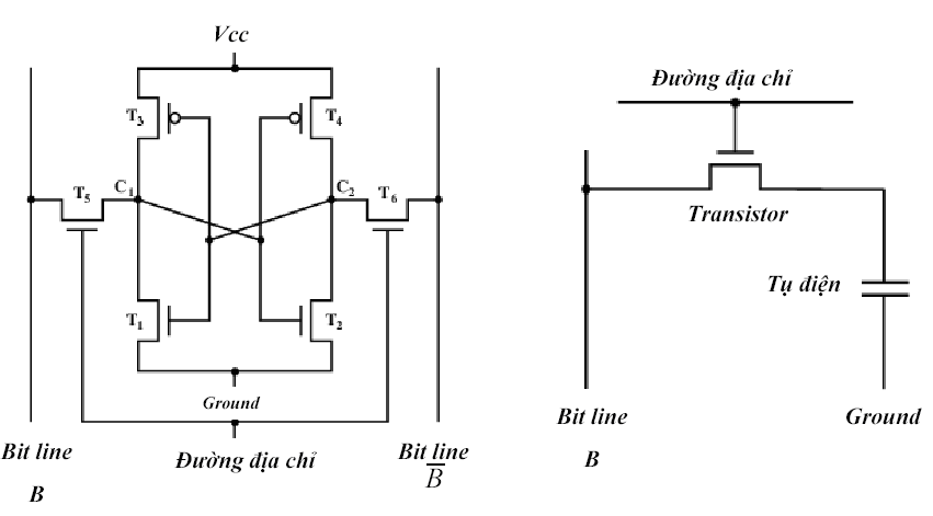
RAM tĩnh được chế tạo theo công nghệ ECL (CMOS và BiCMOS). Mỗi bit nhớ gồm có các cổng logic với độ 6 transistor MOS, việc nhớ một dữ liệu là tồn tại nếu bộ nhớ được cung cấp điện. SRAM là bộ nhớ nhanh, việc đọc không làm huỷ nội dung của ô nhớ và thời gian thâm nhập bằng chu kỳ bộ nhớ.

RAM động dùng kỹ thuật MOS. Mỗi bit nhớ gồm có một transistor và một tụ điện. Cũng như SRAM, việc nhớ một dữ liệu là tồn tại nếu bộ nhớ được cung cấp điện. Việc ghi nhớ dựa vào việc duy trì điện tích nạp vào tụ điện và như vậy việc đọc một bit nhớ làm nội dung bit này bị huỷ. Vậy sau mỗi lần đọc một ô nhớ, bộ phận điều khiển bộ nhớ phải viết lại ô nhớ đó nội dung vừa đọc và do đó chu kỳ bộ nhớ động ít nhất là gấp đôi thời gian thâm nhập ô nhớ. Việc lưu giữ thông tin trong bit nhớ chỉ là tạm thời vì tụ điện sẽ phóng hết điện tích đã nạp vào và như vậy phải làm tươi bộ nhớ sau mỗi 2μs. Làm tươi bộ nhớ là đọc ô nhớ và viết lại nội dung đó vào lại ô nhớ. Việc làm tươi được thực hiện với tất cả các ô nhớ trong bộ nhớ. Việc làm tươi bộ nhớ được thực hiện tự động bởi một vi mạch bộ nhớ. Bộ nhớ DRAM chậm nhưng rẻ tiền hơn SRAM.

Hình IV.2: SRAM và DRAM

SDRAM (Synchronous DRAM – DRAM đồng bộ), một dạng DRAM đồng bộ bus bộ nhớ. Tốc độ SDRAM đạt từ 66-133MHz (thời gian thâm nhập bộ nhớ từ 75ns-150ns).

DDR SDRAM (Double Data Rate SDRAM) là cải tiến của bộ nhớ SDRAM với tốc độ truyền tải gấp đôi SDRAM nhờ vào việc truyền tải hai lần trong một chu kỳ bộ nhớ. Tốc độ DDR SDRAM đạt từ 200-400MHz

RDRAM (Rambus RAM) là một loại DRAM được thiết kế với kỹ thuật hoàn toàn mới so với kỹ thuật SDRAM. RDRAM hoạt động đồng bộ theo một hệ thống lặp và truyền dữ liệu theo một hướng. Một kênh bộ nhớ RDRAM có thể hỗ trợ đến 32 chip DRAM. Mỗi chip được ghép nối tuần tự trên một module gọi là RIMM (Rambus Inline Memory Module) nhưng việc truyền dữ liệu giữa các mạch điều khiển và từng chíp riêng biệt chứ không truyền giữa các chip với nhau. Bus bộ nhớ RDRAM là đường dẫn liên tục đi qua các chip và module trên bus, mỗi module có các chân vào và ra trên các đầu đối diện. Do đó, nếu các khe cắm không chứa RIMM sẽ phải gắn một module liên tục để đảm bảo đường truyền được nối liền.Tốc độ RDRAM đạt từ 400-800MHz

Bộ nhớ chỉ đọc ROM cũng được chế tạo bằng công nghệ bán dẫn. Chương trình trong ROM được viết vào lúc chế tạo nó. Thông thường, ROM chứa chương trình khởi động máy tính, chương trình điều khiển trong các thiết bị điều khiển tự động,...

PROM (Programable ROM): Chế tạo bằng các mối nối (cầu chì - có thể làm đứt bằng điện). Chương trình nằm trong PROM có thể được viết vào bởi người sử dụng bằng thiết bị đặc biệt và không thể xóa được.

EPROM (Erasable Programable ROM): Chế tạo bằng nguyên tắt phân cực tĩnh điện. Chương trình nằm trong ROM có thể được viết vào (bằng điện) và có thể xóa (bằng tia cực tím - trung hòa tĩnh điện) để viết lại bởi người sử dụng.

EEPROM (Eletrically Erasable Programable ROM): Chế tạo bằng công nghệ bán dẫn. Chương trình nằm trong ROM có thể được viết vào và có thể xóa (bằng điện) để viết lại bởi người sử dụng.

Bảng IV.1: Các kiểu bộ nhớ bán dẫn