Đo lường các đại lượng không điện
Những khái niệm chung
Các đại lượng không điện như nhiệt độ, di chuyển, ứng suất... có thể được đo một cách chính xác bằng phép đo lường điện. Ưu điểm cơ bản của phương pháp đo là có độ chính xác cao, có thể đo tự động, đo từ xa và tự ghi kết quả.Sơ đồ khối cơ bản của dụng cụ đo lường các đại lượng không điện bao gồm các khâu chủ yếu sau đây:
- Chuyển đổi đo lường : để biến đổi các đại lượng không điện thành biến thiên của các đại lượng điện như điện áp, điện trở, điện cảm, điện dung...
- Các khâu trung gian nhằm khuếch đại, bù ảnh hưởng của nhiệt độ hay tần số.
- Cơ cấu đo lường ở đầu ra như vôn kế, điện thế kế... thường có thang chia theo đại lượng không điện.
Chuyển đổi đo lường
Chuyển đổi đo lường là khâu chức năng nhằm biến các đại lượng cần đo khác nhau thành các đại lượng điện.Người ta phân chia các chuyển đổi đo lường theo nguyên lý tác động của nó.
Chuyển đổi điện trở
Biến trở (hình 4-31) là một ví dụ đơn giản nhất của chuyển đổi.Điện trở của biến trở :
Trong đó: R là điện trở toàn bộ của biến trở. I : chiều dài toàn bộ biến trở. lx : khoảng di chuyển của con chạy tính từ đầu biến trở. Biến trở loại này dùng để đo di chuyển thẳng. Nếu chế tạo biến trở quay quanh trục có thể dùng để đo di chuyển góc.
Chuyển đổi nhạy với lực căng
Cấu tạo gồm miếng giấy mỏng làm đế, trên đó dán một sợi dây mảnh hình răng lược (hình 4-32) bằng constantan nicrom. Mặt trên chuyển đổi lại dán một lớp giấy mỏng để bảo vệ.Chuyển đổi được dán lên trên các chi tiết cần đo biến dạng, sao cho các dây răng lược theo chiều biến dạng.Sự biến thiên của điện trở chuyển đổi :
Chuyển đổi điện từ
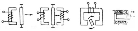
Là chuyển đổi trong đó đại lượng không điện (thường là các di chuyển thẳng hay góc) dẫn đến thay đổi điện cảm, hỗ cảm hoặc xuất hiện sức điện động cảm ứng ở cuộn dây. Hình 4-33 vẽ nguyên lý của một số chuyển đổi điện từ. Sự di chuyển của phần động mạch từ làm thay đổi điện cảm của cuộn dây.
Chuyển đổi điện dung
Điện dung của tụ điện (hình 4-34) :
Chuyển đổi nhiệt điện
Trong chuyển đổi nhiệt điện, sự biến thiên của nhiệt độ dẫn tới sự xuất hiện sức điện động cảm ứng (nhiệt ngẫu) hay dẫn tới thay đổi điện trở của nó (nhiệt điện trở).Quá trình có liên hệ chặt chẽ với môi trường xung quanh, diện tích trao đổi nhiệt, tốc độ chuyển động của môi trường, nồng độ của môi trường dẫn điện vì thế các chuyển đổi nhiệt không những chỉ dùng đo nhiệt độ mà còn dùng để đo độ ẩm, tốc độ, di chuyển...
Một số mạch đo lường các đại lượng không điện
Đo ứng suất
Để đo ứng suất tại một điểm người ta dán chuyển đổi nhạy với lực căng và là một nhánh của cầu (hình 4-35). Sự biến thiên của điện áp ra trên đường chéo của cầu được khuếch đại và đưa vào cơ cấu đo.
Đo nhiệt độ
Ta dùng các chuyển đổi nhiệt ngẫu hoặc nhiệt điện trở. Hình 4-36 là sơ đồ nguyên lý của thiết bị đo nhiệt độ bằng nhiệt ngẫu. Mạch đo bằng phương pháp bù. Dòng điện làm việc xác định chính xác bằng pin mẫu EN và điện trở mẫu rn.Đóng cầu dao về vị trí 1 và điều chỉnh biến trở r cho điện kế chỉ không ta có :
Đóng cầu dao về vị trí 2 và điều chỉnh rn để cân bằng, ta có Et = rk.Ilv. Chú ý là không thay đổi biến trở r để cho dòng điện làm việc không đổi.Biết trị số sức điện động Et ta dễ dàng suy ra nhiệt độ cần đo.