Lý luận chung về hạch toán tiêu thụ sản phẩm trong các doanh nghiệp sản xuất và kinh doanh tổng hợp

Đặc điểm của nghiệp vụ tiêu thụ hàng hoá và vai trò của kế toán nghiệp vụ tiêu thụ hàng hoá và thành phẩm.

Đặc điểm của nghiệp vụ tiêu thụ hàng hoá.

Tiêu thụ là giai đoạn cuối cùng của sản xuất kinh doanh, là yếu tổ quyết định sự tồn tại và phát triển của một doanh nghiệp.

Tiêu thụ sản phẩm thực hiện mục đích của sản xuất và tiêu dùng, đưa sản phẩm từ nơi sản xuất đến nới tiêu dùng. Nó là khâu lưu thông hàng hoá, là cầu nối trung giangiẵ một bên là sản xuất và phân phối, một bên là tiêu dùng. Với mỗi cơ chế quản lý khác nhau, công tác tiêu thụ sản phẩm được thực hiện bằng nhiều hình thức khác nhau. Cụ thể là:

Trong cơ chế quản lý tập trung bao cấp, Nhà nước quản lý kinh tế chủ yếu bằng mệnh lệnh, các cơ quan hành chính quản lý rất sâu vào công việc sản xuất kinh doanh của doanh nghiệp. Nhưng lại không trịu trách nhiệm về công việc của mình. Hoạt động tiêu thụ sản phẩm trong thời kỳ này, chủ yếu là giao nộp sản phẩm cho các đơn vị theo địa chỉ và giá cả do Nhà nước quy định sẵn.

Trong nền kinh tế thị trường, các doanh nghiệp phải tự mình giải quyết mọi vấn đề liên quan đến quá trình sản xuất, kinh doanh của mình nên việc tiêu thụ được thực hiện dưới nhiều phương thức, hình thức khác nhau. Nhằm tăng doanh thu và lợi nhuận để tồn tại và phát triển.

Tiêu thụ trong các doanh nghiệp, chủ yếu là tiêu thụ các sản phẩm, hàng hoá do doanh nghiệp sản xuất ra từ quá trình hoạt động sản xuất kinh doanh của mình hoặc các sản phẩm do liên doanh liên kết, do nhận đại lý, ký gửi, v.v...

Tại các doanh nghiệp quá trình tiêu thụ sản phẩm được bắt đầu từ khi doanh nghiệp chuyển giao sản phẩm, hàng hoá, dịch vụ, lao vụ cho khách hàng đồng thời khách hàng phải trả cho doanh nghiệp một khoản tiền tương ứng với giá bán của sản phẩm hàng hoá, lao vụ, dịch vụ, do hai bên thoả thuận.

Quá trình tiêu thụ sản phẩm, hàng hoá được coi là chấm dứt khi quá trình thanh toán giữa người mua và người bán diến ra quyền sở hữu hàng hoá được chuyển tư người bán sang người mua.

Quá trình này là khâu cuối cùng, là cơ sở để thanh toán và xác định lỗ lãi. Từ đó xác định thu nhấp và phân phối thu nhập.

Hàng hoá có thể luân chuyển trong nội bộ doanh nghiệp giữa các đơn vị thành viên hoặc luân chuyển ra ngoài để tiêu thụ. Việc xác định đúng đắn hàng hoá được coi là hàng bán có ý nghĩa quan trọng trong công tác quản lý tiêu thụ hàng hoá. Hàng được coi là bán phải đảm bảo các yêu cầu sau:

- Hàng hoá phải được tiêu thụ thông qua phương thức mua, bán và thanh toán tiền hành theo một thể thức nhất định.

- Phải có sự chuyển giao quyền sở hữu về hàng hoá.

- Hàng bán ra phải là hàng đã được hạch toán, hàng mua trước đó hoặc hàng sản xuất ra để bán.

Bên cạnh đó một số trường hợp được coi là hàng hoá như:

- Hàng hoá xuất dùng để trả lương, trả thưởng cho công nhân trong doanh nghiệp.

- Hàng hoá bị hao hụt trong hay ngoài định mức. Theo hợp đồng bên mua chịu.

Ngoài các trường hợp trên thì hàng hoá không được coi là hàng bán.

Các phương thức tiêu thụ hàng hoá.

Do sự đa dạng của nền kinh tế thị trường, quá trình tiêu thụ cũng rất đa dạng. Nó tuỳ thuộc vào hình thái thực hiện giá trị của hàng hoá từ nơi sản xuất đến nơi tiêu dùng.

Các phương thức bán như: bán buôn, bán lẻ, đại lý...

Bán buôn.

Bán buôn là phương thức bán hàng cho các tổ chức kinh tế, các đơn vị thương mại, các đơn vị sản xuất để họ tiếp tục chuyển bản cho người tiêu dùng hay tiếp tục gia công chế biến.

Đặc điểm chủ yếu của phương thức bán buôn là khối lượng hàng hoá giao dịch lớn, bán theo từng lô nhưng mặt hàng không phong phú, đa dạng như trong bán lẻ. Bán buôn được thực hiện qua 2 phương thức:

Bán buôn qua kho:

Là phương thức bán hàng mà hàng bán được xuất ra từkho bản quản của doanh nghiệp. Trong phương thức này có 2 hình thức:

- Bán buôn qua kho theo hình thức chuyển hành: Theo hình thức này, định kỳ doanh nghiệp xuất kho hàng hoá để gửi cho người mua băng phương tiện vận chuyển của doanh nghiệp hay thuê ngoài, chuyển đến giao cho bên mua theo thoả thuận trong hợp đồng đã được ký kết, chi phí vận chuyển do bên bán hoặc bên mua dựa theo thoả thuận trước. Hàng hoá sau khi chuyển bán vẫn thuộc quyền sở hữu của doanh nghiệp. Số hàng này được xác định là tiêu thụ khi doanh nghiệp nhận được tiền do bên mua thanh toán hoặc nhận được giáy báo chấp nhận thanh toán của bên mua.

- Bán buôn qua kho theo hình thức giao hàng trực tiếp. Theo hình thức này, bên mua cử đại diện đến kho của doanh nghiệp để nhận hàng của doanh nghiệp xuất kho hàng bán giao trực tiếp cho đại diện bên mua. Sau khi nhận đủ hàng bên mua thanh toán tiền hoặc chấp nhận nợ. Thì hàng hoá được xác định là đã tiêu thụ.

Bán buôn chuyển thẳng.

Các doanh nghiệp thương mại sau khi mua hàng, nhận hàng không đưa nhập về kho của mình mà chuyển thẳng cho bên mua. Phương thức này được thực hiện qua hai hình thức:

- Bán buôn chuyển thẳng theo hình thức chuyển hàng: theo hình thức này doanh nghiệp thương mại sau khi mua hàng, nhận hàng bằng phương tiện vận chuyển của mình hay thuê ngoài cghuyển hàng đến giao cho bên mua ở một địa điểm đã thoả thuận. Trong trường hợp này, hàng hoá vẫn thuộc quyền sở hữu của doanh nghiệp. Hàng chỉ được xác định là tiêu thụ khi doanh nghiệp nhận được tiền thanh toán hoặc chấp nhận thanh toán của bên mua.

- Bán giao tay ba là phương thức của doanh nghiệp thương mại và bên mua đều đến nhận hàng tại kho của nhà cung cấp.

Bán lẻ

Là phương thức bán hàng hoá được cung cấp trực tiếp cho người tiêu dùng.

- Đặc điểm của bán lẻ là khối lượng hàng bán nhỏ, nhưng chủng loại mẫu mã phong phú, đa dạng. Hàng hoá khi đã được bán thì tách khỏi lưu thông và đi vào tiêu dùng, vì vậy giá trị hàng hoá đã được thực hiện hoàn toàn.

Thời điểm xác định là hàng hoá được tiêu thụ là khi nhận được báo cáo bán hàng của mậu dịch viên.

- Các phương thức bán lẻ :

+ Bán lẻ trực tiếp: là hình thức bán truyền thống. Trong đó mậu dịch viên tại quầy vừa chịu trách nhiệm vật chất về hàng hoá vừa thu tiền bán hàng, vì vậy để đảm bảo an toàn cho hàng và tiền khi cuối ca hay cuối ngày bán hàng mậu dịch viên phải nộp toàn bộ số tiền thu được cho thủ quỹ. Theo bảng kê giấy nộp tiền. Sau đó kiểm kê số hàng còn tồn tại quầy, xác định số lượng hàng xuất bán, làm cơ sở cấp báo cáo bán hàng (phản ánh số đã được thực hiện) trên cơ sở đó xác định tiền thừa, thiếu khi bán hàng.

- Hình thức bán tự phục vụ: Khách hàng tự chọn hàng hoá, trước khi mang hàng hoá ra khỏi cửa hàng thì mang đến bộ phận thu tiền để thanh toán, nhân viên thu tiền cấp hoá đơn bán hàng, thu tiền của khách hàng hết ca hoặc hết ngày nộp tiền cho thủ quỹ và lập báo bán hàng.

- Hình thức bán trả góp: Khi bán hàng doanh nghiệp chỉ thu được một phần tiền nhất định ban đầu. Số còn lại người mua trả dần, nhưng người mua phải chịu lãi trả góp. Giá bán trả góp bao giờ cũng lớn hơn giá bán thông thường phần chênh lệch chính là lãi trả góp phải thu.

Phương thức gửi hàng đại lý - ký gửi

- Theo phương thức này đơn vị có hàng gửi, chuyển hàng cho đơn vị nhận bán đại lý, ký gửi bán hộ và thanh toán tiền hoa hồng cho bên nhận bán. Thông báo đã bán được hàng hay trả tiền về hàng nhận bán thì hàng được xác định là đã tiêu thụ. Chứng từ bán hàng là bảng thanh toán hàng đại lý.

Các phương pháp xác định giá mua của hàng bán.

- Giá bán hàng đóng vai trò quyết định trong quá trình tiêu thụ hàng hoá. Nó giúp doanh nghiệp nâng cao sức cạnh tranh trong nền kinh tế thị trường: Vì vậy , mỗi doanh nghiệp cần xác định cho mình những chính sách giá phù hợp để thu hút được khách hàng và sản xuất kinh doanh được có lãi. Bên cạnh việc xác định giá bán cho phù hợp thì việc xác định giá mua của hàng bán.

- Việc tính giá mua của hàng bán sẽ rất đơn giản khi tất cả các đơn vị hàng hoá được nhập cùng một đơn giá ổn định từ kỳ này sang kỳ khác. Tuy nhiên khi các loại hàng hoá giống nhau được nhập với những đơn giá khác nhau thì phát sinh vấn đề là sử dụng đơn giá nào để tính giá mua của hàng hoá tuỳ thuộc vào yếu cầu của công tác quản lý và cách đánh giá hàng hoá, phản ánh trang tài khoản và trang sổ kế toán mà doanh nghiệp vận dụng cách tính giá mua của hàng hoá xuất bán.

- Có 4 phương pháp thường được sử dụng:

+ Phương pháp gía thực tế đích danh.

+ Phương pháp bình quân gia quyền.

+ Phương pháp nhập trước xuất trước.

+ Phương pháp nhập sau xuất trước.

Phương pháp giá thực tế đích danh.

Theo phương pháp này, các doanh nghiệp này phải sớm nắm bắt được các đơn vị hàng hoá tồn kho và các đơn vị hàng hoá xuất bán. Thuộc những lần mua nào và dùng đơn giá của những lần mua đó để xác định giá vốn của hàng hoá tồn kho cuối và trị giá mua của hàng hoá xuất bán. mkè4epoti954kmnj mkjl;;;;;hjuhiuhhhgoii

Đây là phương pháp hợp lý nhất trong các phương pháp vì nó phản ánh giá trị thực chất nhất. Tuy nhiên phương pháp này chỉ thích hợp với các doanh nghiệp kinh doanh ít mặt hàng, ít chủng loại và hàng có giá trị cao.

Phương pháp bình quân gia quyền

Phương pháp này được áp dụng trong trường hợp hàng tồn kho và hàng xuất bán không xác định được là mua lần nào. Vì vậy phải phân tích đơn giá bình quân của từng loại hàng hoá.

hương pháp nhập trước xuất trước.

Theo phương pháp này, giả định các đơn vị hàng hoá tồn kho đầu kỳ sẽ được xuất bán trước tiên. Số hàng bán tiếp theo, giả định chúng được mua theo thứ tự. Như vậy hàng tồn kho cuối kỳ bao gồm những đơn vị hàng hoá mua vào sau cùng. Tuy nhiên trong thực tế sự vận động của hàng hoá không theo thứ tự nhập trước xuất trước.

Phương pháp nhập sau xuất trước

Phương pháp nhập sau xuất trước được giả định hàng hoá xuất bán là những hàng hoá được mua sau cùng và cứ như vậy hàng hoá tồn kho cuối kỳ, là những hàng hoá được mua laau nhất, cũ nhất. Trị giá vốn của hàng hoá mua vào sau cũng được tính cho trị giá vốn của hàng bán. Trên thực tế hàng hoá không xác định theo thứ tự nhập sau xuất trước.

Bốn phương pháp định giá trên đều được thừa nhận. Trong điều kiện giá cả ổn định không thay đổi từ kỳ này sang kỳ khác thì cả bốn phương pháp sẽ cho cùng một kết quả. Tuy nhiên trong điều kiện thị trường không ổn định giá cả lên xuống thất thường thì mỗi phương pháp sẽ cho mỗi kết quả khác nhau và như vậy mỗi phương pháp đều có ảnh hưởng nhất định đến báo cáo tài chính của doanh nghiệp. Vì vậy doanh nghiệp lựa chọn phương pháp nào đều phải công khai trong bảng thuyết minh báo cáo tài chính của doanh nghiệp và phải nhất quán giữa các kỳ kế toán, giúp cho việc kiểm tra, đánh giá kết quả hoạt động kinh doanh được chính xác.

Thời điểm ghi chép hàng bán

Trong các doanh nghiệp thương mại thời điểm ghi chép vào sổ sách kế toán về hàng hoá là thời điểm hàng hoá được xác định là bán, thời điểm đó được quy định theo từng phương thức, hình thức bán hàng sau:

- Bán buôn qua kho, bán vận chuyển thẳng theo theo hình thức giao hàng trực tiếp: Thời điểm ghi bán hàng là khi đại diện been mua ký nhận đủ hàng và thanh toán tiền hoặc chấp nhận nợ. ghfgểtggggg

- Bán buốn qua kho và bán buôn chuyển thẳng theo hình thức chuyển hàng: Thời điểm ghi chép hàng bán là khi nhận đủ tiền của bên mua hoặc bên mua xác nhận là đã nhận đủ hàng và chấp nhận thanh toán.

- Bán lẻ hàng hoá: Thời điểm ghi chép hàng bán là thời điểm nhận được báo cáo bán hàng của mậu dịch viên.

- Phượng thức gửi đại lý: Thời điểm ghi chép hàng bán là thời điểm nhận ddược tiền do bên nhận đại lý thanh toán hoặc chấp nhận nợ.

Nhiệm vụ của kế toán nghiệp vụ tiêu thụ hàng hoá.

- Kế toán nghiệp vụ tiêu thụ hàng hoá có ý nghĩa rất quan trọng trong quá trình phản ánh thu thập và xử lý, cung cấp thông tin cho chủ doanh nghiệp, giúp doanh nghiệp lựa chọn phương án kinh doanh phù hợp để mang lại hiệu quả cao. Vì vậy, nhiệm vụ của kế toán nghiệp vụ tiêu thụ hàng hoá sản phẩm gồm:

+ Ghi chép phản ánh đầy đủ tình hình bán hàng của doanh nghiệp. Ngoài kế toán tổng hợp ghi trên các tài khoản của kế toán, kế toán tiêu thụ cần phải theo dõi chi tiết. Việc ghi chép theo số lượng, chủng loại, theo từng đơn vị trực thuộc, giám sát hàng ở mọi trạng thái: Hàng đang đi đường, hàng đang ở trong kho, hàng ở quấy.

+ Xác định chính xác thời điểm hàng được coi là tiêu thụ, phản ánh doanh thu.

+ Xác định đúng và tập hợp đầy đủ giá vốn hàng bán, chi phí bán hàng phát sinh trong quá trình tiêu thụ cũng như chi phí quản lý doanh nghiệp. Phân bổ chi phí hợp lý và giúp xác định kết quả kinh doanh và xác định các khoản phải nộp ngân sách.

+ Kiểm tra tình hình tiêu thụ bán hàng và quản lý tiền bán hàng. Đối với hàng hoá bán chịu cần phải mở sổ sách chi tiết theo từng khách hàng, từng lô hàng, số tiền nợ và thời hạn phải trả.

+ Tổ chức tốt công tác quản lý chứng từ ban đầu và trình tự luân chuyển chứng từ, đảm bảo việc kiểm tra và ghi sổ kế toán được thuận tiện, tránh trùng lặp, bỏ sót.

+ Phản ánh tình hình thực hiện các chỉ tiêu kế hoạch tiêu thụ; mức bán ra, doanh thu bán. Các chỉ tiêu kế toán phải phù hợp với các chỉ tiêu kế hoạch để đảm bảo tính chất có thể so sánh được khi xem xét.

Đảm bảo thực hiện tốt các nhiệm vụ trên giúp cho các nhà quản lý nắm bắt kịp thời, nhanh chóng các quá trình vận động của hàng hoá, tiền tệ nhằm đưa ra những quyết định chính xác trong nghiệp vụ tiêu thụ hàng hoá để phù hợp với thị trường.

Phương pháp xác định giá vốn của hàng bán.

Đánh giá hàng hoá theo giá vốn

- Giá thành hàng hoá nhập kho được xác định phù hợp với từng nguồn nhập:

+ Hàng hoá do doanh nghiệp sản xuất, chế tạo được đánh giá theo chi phí sản xuất, kinh doanh thực tế bao gồm: Chi phí nguyên vật liệu trực tiếp, chi phí sản xuất chung.

+ Hàng hoá thuê ngoài gia công, được đánh giá theo chi phí thực tế gia công gồm: Chi phí nguyên vật liệu trực tiếp đem gia công. Chi phí thuê noài gia công và các chi phí khác liên quan trực tiếp đến quá trình gia công như chi phí vạan chuyển, chi phí làm thủ tục xuất kho nguyên vật liệu đem gia công, nhập kho thành phẩm để hoàn thành gia công.

- Đối với hàng hoá xuất kho cũng phải được thể hiện theo giá vốn thực tế. Hàng hoá xuất kho cũng có thể theo những giá thực tế khác nhau ở từng thời điểm trong kỳ hạch toán, nên việc hạch toán xác định giá trị thực tế hàng hoá xuất kho có thể áp dụng một trong các phương pháp chủ yếu sau :

+ Phương pháp giá đơn vị bình quân:

Theo phương pháp này, giá thực tế vật liệu xuất dùng trong kỳ được tính theo giá bình quân ( bình quân cả kỳ dự trữ, bình quân cuối kỳ trước hoặc bình quân sau mỗi lần nhập).

Trong đó:

Phương pháp giá đơn vị bình quân cả kỳ dự trữ tuy đơn giản, dẽ làm nhưng độ chính xác không cao. Hơn nữa, công việc tính toán dồn vào cuối tháng gây ảnh hưởng đến công tác quyết toán chung.

Phương pháp này mặc dầu quá đơn giản và phản ánh kịp thời tình hình biến động vật liệu trong kỳ tuy nhieen không chính xác vì không tính đến sự biến động của giá vật liệu kỳ này.

Phương pháp giá đơn vị bình quân sau mỗi lần nhập lại khắc phục nhược điểm của 2 phương pháp trên, vừa chính xác, vừa cập nhật. Nhược điểm của phương pháp này là tốn nhiều công sức, tính toán nhiều lần.

+ Phương pháp nhập trước, xuất trước (FIFO).

Theo phương pháp này, giả thiết rằng số vật liệu nhập trước thì xuất trước, xuât hết số nhập trước mới đến số nhập sautheo giá thực tế của từng số hàng xuất. Nói cách khác, cơ sở của phương pháp này là giá thực tế vật liệu mua trước sẽ được dùng làm giá thực tế vật liệu xuất trước và do vậy giá trị vật liệu tồn kho cuối kỳ sẽ là giá thực tế của số vật liệu mua vào sau cùng. Phương pháp này thích hợp trong trường hợp giá cả ổn định hoặc có xu hướng giảm.

+ Phương pháp nhập sau xuất trước (LIFO).

Phương pháp này giả định vật liệu mua sau cùng sẽ được xuất trước tiên, ngược lại với phương pháp nhập trước, xuất trước ở trên. Phương pháp nhập sau xuất trước thích hợp trong trường hợp lạm pháp.

+ Phương pháp trực tiếp:

Theo phương pháp này, vật liệu được xác định giá trị theo đơn chiếc hay từng lô và giữ nguyên từ lúc nhập vào cho đến lúc xuất dùng (trừ trường hợp điều chỉnh). Khi xuất vật liệu nào sẽ tính theo giá thực tế của vật liệu đó. Do vậy, phương pháp này còn có tên gọi là phương pháp đặc điểm riêng hay phương pháp giá trị thực tế đích danh và thường sử dụng với các loại vật liệu có giá trị cao và có tính tách biệt.

+ Phương pháp giá hạch toán:

Theo phương pháp này, toàn bộ vật liệu biến động trong kỳ được tính giá hạch toán (Giá kế hoạch hoặc một loại giá ổn định tronh kỳ). Cuối kỳ kế toán sẽ tiến hành điều chỉnh từ giá hạch toán sang giá thực tế theo công thức:

Hệ số giá có thể tính cho từng loại, từng nhóm hoặc từng thứ vật liệu chủ yếu tuỳ thuộc vào yêu cầu và trình độ quản lý.

Đánh giá hàng hoá theo giá hạch toán.

Việc đánh giá hàng hoá theo giá thực tế đôi khi không đáp ứng được yêu cầu kịp thời của công tác kế toán, bởi vì giá thành sản xuất thực tế thường cuối kỳ hạch toán mới xác định được mà công việc nhập xuất hàng hoá lại diễn ra thường xuyên vì vậy người ta còn sử dụng giá hạch toán.

Giá hạch toán là giá ổn định trong kỳ. Nó có thể là giá thành kế hoạch hoặc giá nhập kho thống nhất. Đánh giá hàng hoá theo giá hạch toán đến cuối kỳ phải tính chuyển giá hạch toán sang giá thực tế bằng cách:

Phương pháp này áp dụng với mọi loại hình doanh nghiệp nhưng thường là doanh nghiệp có loại quy mô lớn, khối lượng hàng hoá tiêu thụ nhiều, tình hình nhập xuất diễn ra thường xuyên, việc xác định giá hàng ngày khó khăn và ngay cả tronh trường hợp xác định được song tốn kém nhiều chi phí, không hiệu quả cho công tác kế toán. Phương pháp này đòi hỏi doanh nghiệp phải xây dựng được hệ thống giá hạch toán khoa học, hợp lý.

Nội dung quản lý nghiệp vụ tiêu thụ hàng hoá và phương pháp kế toán.

Do sự phức tạp của nghiệp vụ tiêu thụ mà việc quản lý nghiệp vụ này bao gồm:

- Quản lý về giá cả hàng hoá: Là một công tác quan trọng trong quá trình bán hàng, việc định giá và thực hiện giá bán là nội dung trọng tâm. kế toán nghiệp vụ tiêu thụ là một bộ phận trực tiếp về giá cả hàng hoá. Việc phản ánh giá cả hàng hoá vào sổ kế toán phải căn cứ vào các chứng từ xuất nhập hàng hoá, các chứng từ hạch toán tiền hàng, các chứng từ này phải hợp pháp và có sự xác nhận của cả bên mua và bên bán.

Mặt khác việc quản lý giá cả hàng hoá còn giúp các nhà quản lý theo dõi được sự biến động của giá. trong từng thời kỳ từ đó có thể rút ra quy luật vận động của giá (Chẳng hạn các mặt hàng theo mùa, vụ...) phục vụ cho công tác kế toán mua bán hàng hoá trong hoạt động kinh doanh.

- Quản lý về số lượng, chất lượng và giá trị của hàng hoá cả khi hàng vẫn thuộc sở hữu của doanh nghiệp.

- Quản lý thu hồi tiền bán hàng: Đây cũng là một khâu quan trọng trong quá trình bán. việc thu hồi tiền phải đảm bảo nhanh chóng và đầy đủ, để thực hiện được điều đó người quản lý phải tính đúngtính đủ số tiền phải thu, đã thu theo từng khách hàng, theo từng hình thức thanh toán. mỗi chứng từ thanh toán phải hợp pháp, có đầy đủ chữ ký của cả hai bên mua và bán.

Khi tiêu thụ được nhanh chóng sẽ giúp tằng vòng quya của vốn và kịp thời huy động vốn cho sản xuất kinh doanh.

Phương pháp kế toán nghiệp vụ tiêu thụ hàng hoá.

Hạch toán tiêu thụ hàng hoá theo phương pháp kê khai thường xuyên.

Các chứng từ kế toán sử dụng.

- Hoá đơn GTGT.

- Hoá đơn bán hàng.

- Hoán đơn tự in, chứng từ đặc thù.

- Bảng kê bán lẻ.

- Giấy báo Có của ngân hàng, phiếu thu...

Các tài khoản kế toán sử dụng.

- Tài khoản 155 - Thành phẩm: Tài khoản này được sử dụng để phản ánh giá trị hiện có, tình hình biến động của các loại thành phẩm nhập kho của doanh nghiệp theo giá thành thực tế (giá thành công xưởng thực tế)

Bên Nợ: Các Nghiệp vụ ghi tăng giá thành thực tế thành phẩm.

Bên Có: Các Nghiệp làm giảm giá thành thực tế thành phẩm.

Dư Nợ: Giá thành thực tế thành phẩm tồn kho.

- Tài khoản 157 - Hàng gửi bán: Tài khoản này được sử dụng để theo dõi giá trị sản phẩm, hàng hoá tiêu thụ theo phương thức chuyển hàng, nhờ đại lý, ký gửi, hay giá trị lao vụ dịch vụ đã hoàn thành bàn giao cho người đặt hàng, người mua nhưng chưa được chấp nhận thanh toán.

Bên Nợ: Giá trị sản phẩm, hàng hoá, lao vụ, dịch vụ gửi bán, đại lý hoặc đã thực hiện với khách hàng nhưng chưa được chấp nhận thanh toán.

Bên Có: + Giá trị sản phẩm, hàng hoá, lao vụ, dịch vụ đã được khách hàng thanh toán hoặ chấp nhận thanh toán.

+ Giá trị hàng gửi bán bị từ chối, trả lại.

Dư nợ: Giá trị hàng gửi bán chưa được chấp nhận.

- Tài khoản 551 - Doanh thu bán hàng: Tài khoản này được dùng để phản ánh tổng số doanh thu bán hàng thực tế của doanh nghiệp và các khoản giảm doanh thu. từ đó tính ra doanh thu thuần về tiêu thụ trong kỳ. Tổng số doanh thu bán hàng ghi nhận ở đây có thể là tổng giá thanh toán (Với các doanh nghiệp tính thuế GTGT theo phương pháp trực tiếp cũng như đối với các đối tượng chịu thuế xuất khẩu, thuế tiêu thụ đặc biệt) hoặc giá không có thuế GTGT (Với các doanh nghiệp tính thuế GTGT theo phương pháp khấu trừ).

Bên Nợ: + Số thuế phải nộp (tiêu thụ đặc biệt, xuất khẩu) tính trên doanh số bán trong kỳ.

+ Giảm giá hàng bán và doanh thu của hàng bán bị trả lại (kết chuyển trừ vào doanh thu).

+ Kết chuyển doanh thu thuần vào tài khoản 911.

Bên Có: Tổng số doanh thu bán hàng thực tế của doanh nghiệp trong kỳ.

Tài khoản 511 cuối kỳ không có số dư.

Tài khoản này được chi tiết thành 4 tiểu khoản.

+ Tài khoản 5111 - Doanh thu bán hàng hoá.

+ Tài khoản 5112 - Doanh thu bán thành phẩm.

+ Tài khoản 5111 - Doanh thu cung cấp dịch vụ.

+ Tài khoản 5111 - Doanh thu trợ cấp, trợ giá.

- Tài khoản 551 - Doanh thu bán hàng nội bộ: Tài khoản này được dùng để phản ánh doanh thu của số hàng hoá, lao vụ, dịch vụ, sản phẩm tiêu thụ nội bộ giữa các xí nghiệp trực thuộc trong cùng một Tổng công ty, công ty tập đoàn...

Tài khoản này được mở chi tiết thành 3 tiểu khoản.

+ Tài khoản 5121 - Doanh thu bán hàng hoá.

+ Tài khoản 5122 - Doanh thu bán sản phẩm.

+ Tài khoản 5123 - Doanh thu cung cấp dịch vụ.

(Nội dung phản ánh tương tự như tài khoản 511)

- Tài khoản 632 - Giá vốn hàng bán: Tài khoản này dùng để theo dõi giá vốn của hàng hoá, sản phẩm, lao vụ, dịch vụ xuất bán trong kỳ.

Bên Nợ: Giá vốn của hàng hoá, lao vụ, dịch vụ đã cung cấp (đã được coi là tiêu thụ trong kỳ).

Bên có: Kết chuyển giá vốn hàng tiêu thụ trong kỳ.

Tài khoản 632 cuối kỳ không có số dư

Ngoài ra trong quá trình hạch toan tiêu thụ hàng hoá kế toán còn phải sử dụng một số tài khoản sau: TK 333, TK 521, Tk 531, TK 532, TK 111, TK 112...

Trình tự hạch toán.

* Phương thức hạch toán bán buôn: Hạch toán theo sơ đồ sau.

(1) Xuất kho hàng hoá theo giá vốn.

(2) Tổng giá thanh toán có thuế GTGT.

* Phương thức bán lẻ: Hạch toán theo sơ đồ sau.

(1) Chuyển hàng xuống cửa hàng bán lẻ.

(2) Giá vốn hàng bán được xác định là tiêu thụ.

(3) Tổng giá thanh toán có thuế GTGT.

* Phương thức tiêu thụ hàng hoá theo phương thức chuyển hàng chờ chấp nhận: Hạch toán theo sơ đồ.

(1) Xuất kho hàng hoá theo gửi đi bán.

(2) Giá vốn hàng gửi bán được chấp nhận là tiêu thụ.

(3) Tổng giá thanh toán có thuế GTGT.

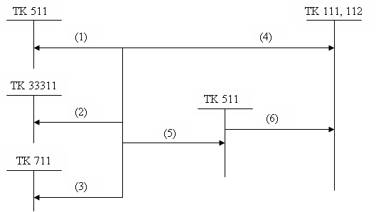
* Phương thức bán hàng trả góp:

(1) Doanh thu theo giá bán thu tiền ngay (không kể thuế GTGT).

(2) Thuế GTGT phải nộp tính trên giá bán thu tiền ngay.

(3) Lợi tức trả chậm.

(4) Số tiền người mua trả lần đầu.

(5) Tổng số tiền còn phải thu của người mua.

(6) Thu tiền của người mua các kỳ sau.

* Phương thức bán hàng qua các đại lý. (ký gửi)

  1. Xuất kho hàng hoá gửi bán.

(2a) Giá vốn hàng hoá được xác định là tiêu thụ.

(2b) Tổng giá thanh toán, thuế GTGT phải nộp,

hoa hồng cho bên nhận đại lý.

(3) Thuế GTGT tính trên hoa hồng (nếu có).

- Đối với bên nhận đại lý.

Hạch toán tiêu thụ hàng hoá theo phương pháp kiểm kê định kỳ.

Các tài khoản kế toán sử dụng.

- Tài khoản 155 - Thành phẩm

Bên Nợ: Trị giá thành phẩm tồn kho cuối kỳ.

Bên Có: Kết chuyển trị giá thành phẩm tồn kho đầu kỳ.

Dư Nợ: Trị giá thành phẩm tồn kho tại thời điểm kiểm kê.

- Tài khoản 157 - Hàng gửi bán:

Bên Nợ: Trị giá hàng gửi bán cuối kỳ.

Bên Có: Kết chuyển trị giá hàng gửi bán đầu kỳ.

Dư nợ: Trị giá hàng gửi bán chưa bán được tại thời điểm kiểm kê.

- Tài khoản 631 - Giá thành

Bên Nợ: Kết chuyển trị giá thành phẩm dở dang đầu kỳ.

Bên Có: Kết chuyển trị giá thành phẩm dở dang cuối kỳ.

Tài khoản này cuối kỳ không có số dư.

- Tài khoản 632 - Giá vốn hàng bán

Bên Nợ: - Giá vốn hàng bán chưa tiêu thụ đầu kỳ.

- Tổng giá thành sản phẩm, dịch vụ sản xuất hoàn thành trong kỳ.

Bên Có: - Kết chuyển giá vốn hàng bán chưa tiêu thụ cuối kỳ.

- Kết chuyển giá vốn hàng bán chưa tiêu thụ trong kỳ.

Tài khoản này cuối kỳ không có số dư.

- Ngoài ra kế toán còn sử dụng các tài khoản: TK 511, TK 512, TK 521, TK 531, TK 532, TK 154 ...

Trình tự hạch toán:

  1. Kết chuyển trị giá hàng tồn kho cuối kỳ và hàng gửi bán chưa được tiêu thụ.
  2. Kết chuyển trị giá hàng tồn kho đầu kỳ và hàng gửi bán chưa được tiêu thụ.
  3. Trị giá sản phẩm dở dang cuối kỳ.
  4. Trị giá sản phẩm dở dang đầu kỳ.
  5. Kết chuyển giá thành sản phẩm sản xuất trong kỳ
  6. Kết chuyển giá vốn hàng bán trong kỳ.
  7. Kết chuyển các khoản giảm trừ.
  8. Kết chuyển doanh thu thuần để xác định kết quả kinh doanh.
  9. Phản ánh hàng hoá được coi là tiêu thụ.

Hạch toán các khoản giảm trừ doanh thu.

Chiết khấu bán hàng.

- Nội dung: Về thực chất, chiết khấu bán hàng được coi là một khoản chi phí cho những khách hàng mua hàng hoá với số lượng lớn, thanh toán trước thời hạn thoả thuận... nhằm mục đích khuyến khích khách hàng mua hàng cho doanh nghiệp.

- Tài khoản sử dụng:

Tài khoản 521 - Chiết khấu bán hàng.

Bên Nợ: Tập hợp các khoản chiết khấu bán hàng đã chấp thuận với khách hàng thực tế phát sinh trong kỳ.

Bên Có: Kết chuyển toàn bộ chiết khấu thanh toán vào TK 811.

Cuối kỳ không có số dư và được chi tiết thành 3 tiểu khoản:

+ TK 5211 - Chiết khấu hàng hoá.

+ TK 5212 - Chiết khấu thành phẩm.

+ TK 5213 - Chiết khấu dịch vụ.

- Trình tự hạch toán:

Hàng bán bị trả lại.

- Nội dung: là những hàng hoá đã được coi là tiêu thụ nhưng bị khách hàng trả lại do không phù hợp với yêu cầu của khách.

- Tài khoản sử dụng.

Tài khoản 531 - Hàng bán bị trải lại.

Bên Nợ: Tập hợp các khoản doanh thu của số hàng hoá đươch xác định là tiêu thụ bị trả lại.

Bên Có: Kết chuyển doanh thu của số hàng bán bị trả lại.

Tài khoản 531 cuối kỳ không có số dư.

- Trình tự hạch toán.

  1. Phản ánh giá vốn của hàng bán bị trả lại nhập kho.
  2. Phản ánh hàng bán bị trả lại (Với doanh nghiệp tính thuế GTGT theo phương pháp khấu trừ)
  3. Phản ánh hàng bán bị trả lại (Với doanh nghiệp tính thuế GTGT theo phương pháp trực tiếp, hay hàng không chịu thuế GTGT).
  4. Cuối kỳ kết chuyển điều chỉnh giảm doanh thu.

Giảm giá hàng bán.

- Nội dung: Giản gián hàng bán là những khoản giảm giá, bớt giá, hồi khấu cho bên mua vì những lý do như hàng bán bị kém phẩm chất, khách hàng mua hàng với số lượng lớn...

- Tài khoản sử dụng.

Tài khoản 532 - Giảm giá hàng bán.

Bên Nợ: Tập hợp các khoản giảm giá hàng bán chấp thuận cho người mua trong kỳ.

Bên Có: Kết chuyển toàn bộ số giảm hàng bán.

Tài khoản 532 cuối kỳ không có số dư.

- Trình tự hạch toán: